Запчасти Bobcat 220 BLADE CYLINDER (Original Equipment) HYDRAULIC SYSTEM

Схема запчастей Bobcat 220 - BLADE CYLINDER (Original Equipment) HYDRAULIC SYSTEM
FIT
1:1
100%

Артикул

Название

Примечание

Количество

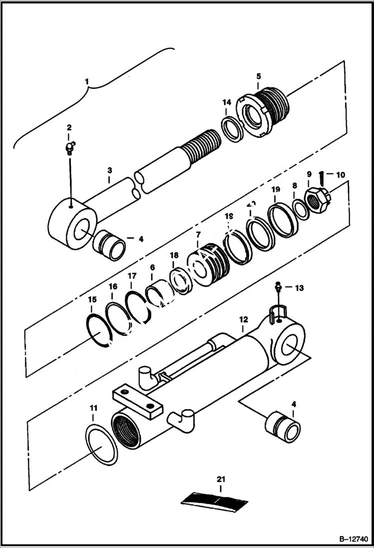
1

CYLINDER See BTIE-003 NLA - Ref. 2-20 - Was 6651897 - A

2

6652991

GREASE ZERK

3

ROD NLA - W/Ref 4 - Was 6653007 - A

4

6652986

BUSHING

5

HEAD NLA - Was 6652995 - A

6

6652974

BUSHING

7

PISTON NLA - Was 6652996 - A

8

6652997

SHIM set

9

6652998

NUT

10

6652999

COTTER PIN

11

WASHER NLA - Was 6652980 - A

12

CASE NLA - W/Ref. 4 - Was 6653006 - A

13

6652990

GREASE ZERK

14

RING NSS - Wiper - See Ref. 21 - Was 6652976 - A

15

O-RING NSS - See Ref. 21 - Was 6652979 - A

16

BACK-UP RING NSS - See Ref. 21 - Was 6652978 - A

17

O-RING NSS - See Ref. 21 - Was 6652977 - A

18

RING NSS - See Ref. 21 - Was 6652975 - A

19

RING NSS - Slide - See Ref. 21 - Was 6652988 - A

20

SEAL NSS - See Ref. 21 - Was 6652982 - A

21

6653001

SEAL KIT Ref. 14-20 - Was 6653008 - D

Выбрано товаров: 21