Качественные детали и логистика
Оригинальные и аналоговые запчасти с доставкой по России, Казахстану и Беларуси
©2022 PartSell ООО "Система" ИНН 2463123282 ОГРН 1212400004838
Центральный офис: г. Красноярск, Академика Киренского, д.87, пом.4
Телефон: 8 (800) 777-65-74 Email: zakaz@partsell.ru
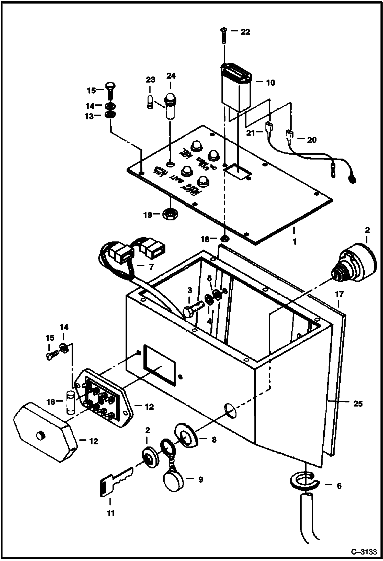
INSTRUMENT PANEL
№
Артикул
Название
Примечание
Количество
1
6533894
PLATE
2
6652767
SWITCH Ignition - W/Ref. 8, 9 & 11
3
1CM610
BOLT
4
6EM60
WASHER, SPRING
5
15EM60
WASHER
6
6512686
MOULDING 4'' (101,6 mm) long - Bulk - Sold Per Foot
7
6534749
HARNESS
8
6652769
LABEL
9
6652773
COVER
10
6664886
HOURMETER Was 6631657 - A
11
6652770
KEY
12
6535190
FUSE BOX
13
15EM50
14
6EM50
LOCK-WSHR
15
1CM510
16
6535441
FUSE 10 Amp. - Was 6535191 - A
17
6535192
INSULATION
18
12D6
NUT 10
19
NUT NSS
20
6533939
WIRE
21
6533938
22
87G610
SCREW
23
BULB NLA - Was 6535193 - A
24
6535194
LAMP W/Ref. 19
25
6533891
PANEL Instrument - Was 6534705 - A
Выбрано товаров: 0