Запчасти Bobcat 220 OIL PAN POWER UNIT

Схема запчастей Bobcat 220 - OIL PAN POWER UNIT
FIT
1:1
100%

Артикул

Название

Примечание

Количество

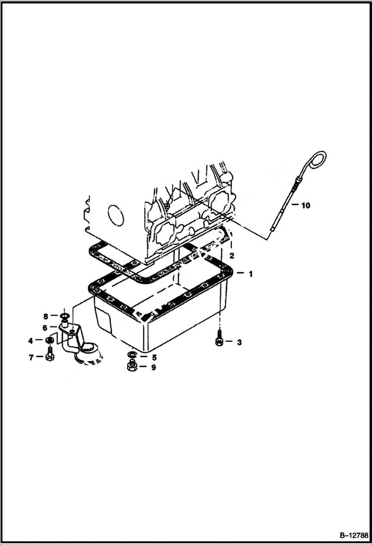
1

6652581

PAN

2

6666798

GASKET See Illustration LOWER GASKET KIT/ C3244 included W/lower gasket kit - Was 6599111 - A

3

6652582

BOLT

4

6EM80

WASHER, SPRING

5

6680484

GASKET Was 3974403 - B

6

6652650

SCREEN

7

1CM815

BOLT Was 4CM00816B - B

8

6599983

O-RING See Illustration LOWER GASKET KIT/ C3244 included W/lower gasket kit

9

3974402

PLUG Was 3974482B - D

10

6652657

DIPSTICK

Выбрано товаров: 10