Качественные детали и логистика
Оригинальные и аналоговые запчасти с доставкой по России, Казахстану и Беларуси
©2022 PartSell ООО "Система" ИНН 2463123282 ОГРН 1212400004838
Центральный офис: г. Красноярск, Академика Киренского, д.87, пом.4
Телефон: 8 (800) 777-65-74 Email: zakaz@partsell.ru
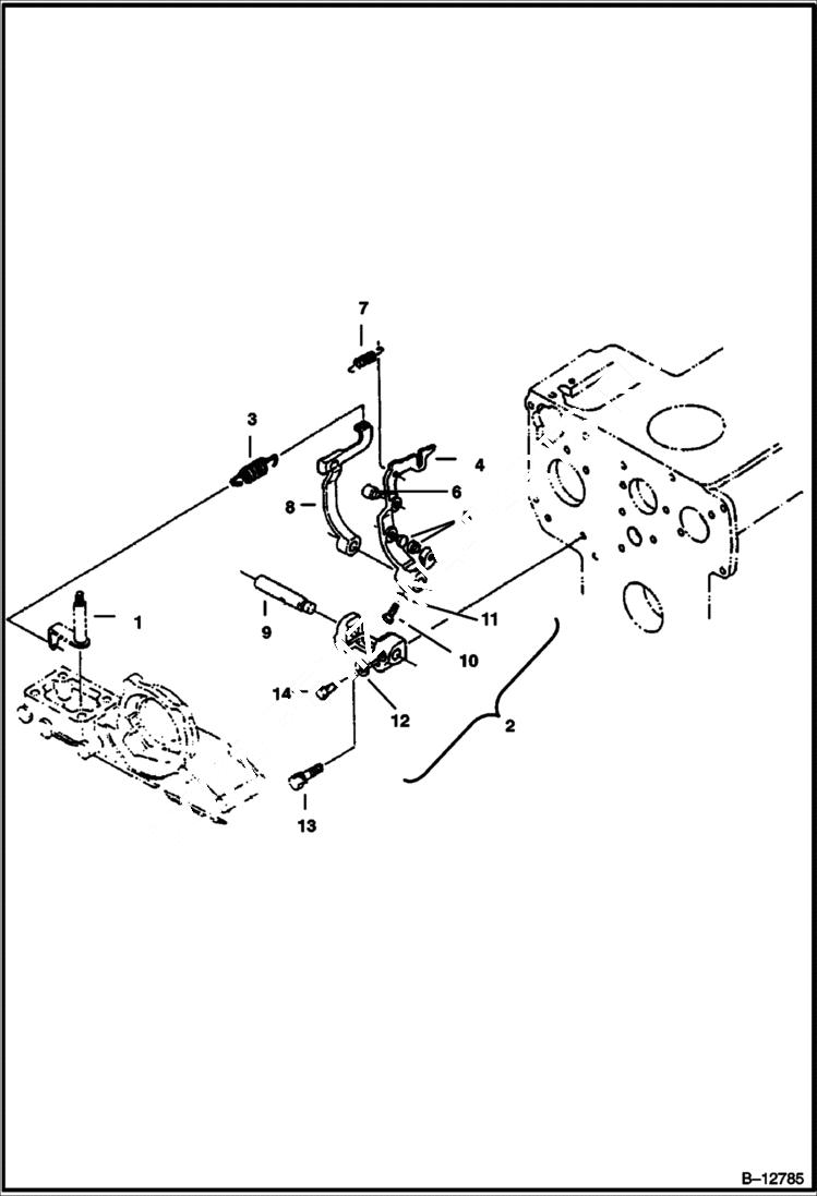
GOVERNOR GROUP
№
Артикул
Название
Примечание
Количество
1
6652706
LEVER Governor
2
LEVER ASSY. NLA - Fork - W/Ref. 4-10 - Order components - Was 6652700
3
6652699
SPRING
4
6652701
LEVER W/Ref. 5 & 6
5
PIN NSS - Was 3974654B - A
6
PIN NSS
7
3974967
8
6652703
LEVER
9
6598991
SHAFT
10
1CM516
BOLT
11
6EM50
LOCK-WSHR
12
HOLDER NLA - Was 6652704 - A
13
4CM628
14
6599066
Выбрано товаров: 0