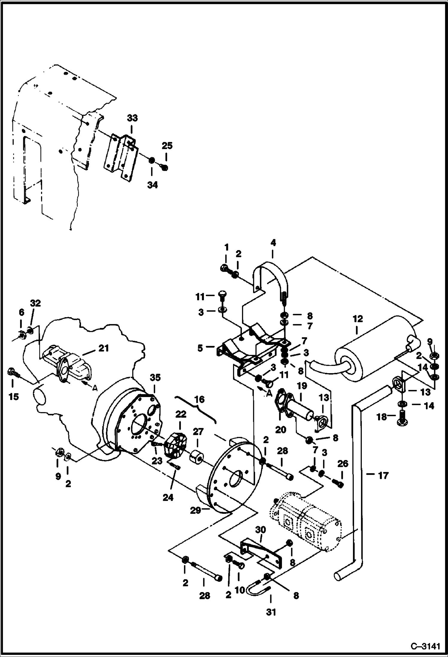
Запчасти Bobcat 220 MANIFOLD, MUFFLER & POWER TAKE OFF POWER UNIT

Схема запчастей Bobcat 220 - MANIFOLD, MUFFLER & POWER TAKE OFF POWER UNIT
FIT
1:1
100%

Артикул

Название

Примечание

Количество

1

1CM820

BOLT

2

6EM80

WASHER, SPRING

3

6EM100

WASHER

4

6533823

CLAMP

5

MOUNT NLA - Was 6533820 - A

6

1DM6

NUT See Illustration MANIFOLDS/ B12782

7

15EM100

WASHER

8

1DM10

NUT

9

1DM8

NUT

10

1CM815

BOLT

11

1CM1015

BOLT

12

6651932

MUFFLER

13

6651933

CLAMP

14

15EM80

WASHER

15

1CM1025

BOLT

16

6534708

U-JOINT Assy. - Ref. 22-24

17

6533828

PIPE Exhaust

18

1CM865

SCREW

19

6651937

PIPE Flange

20

3974507

GASKET

21

6652612

MANIFOLD Exhaust

22

6535210

COUPLER

23

6537021

BOLT Was 7GM01030B - B

24

6537020

BOLT Was 8GM01030B - B

25

1CM815

BOLT

26

7GM1025

BOLT

27

6534709

COUPLER W/Ref. 25

28

7GM8120

BOLT

29

6533815

PLATE

30

6533829

BRACKET

31

6534707

U-BOLT

32

6EM60

WASHER, SPRING See Illustration MANIFOLDS/ B12782

33

6533646

MOUNT Air cleaner

34

6EM80

WASHER, SPRING

35

6652648

PLATE

Выбрано товаров: 35