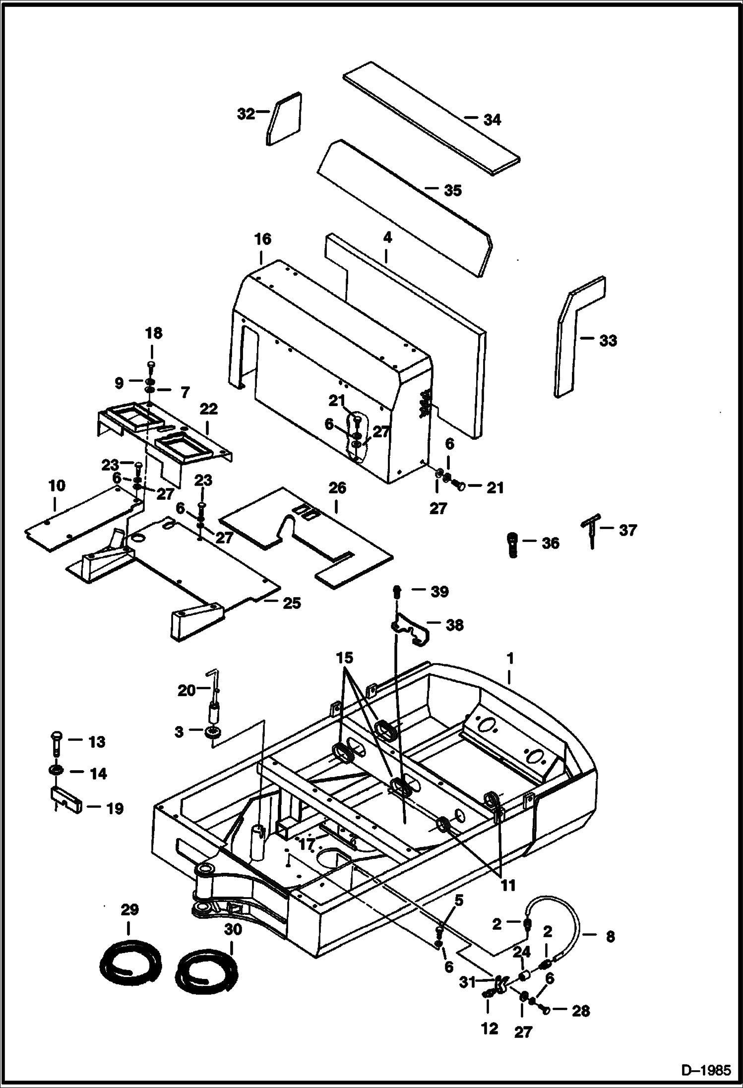
Запчасти Bobcat 220 REVOLVING FRAME & FLOOR PLATE MAIN FRAME

Схема запчастей Bobcat 220 - REVOLVING FRAME & FLOOR PLATE MAIN FRAME
FIT
1:1
100%

Артикул

Название

Примечание

Количество

1

6534878

FRAME

2

6655591

NIPPLE W/Nut & Sleeve - Was 1314109B - B

3

6534892

GROMMET

4

INSULATION NLA - Fastens inside of hood - Was 6534750 - A

5

10CM1050

BOLT See Illustration UNDERCARRIAGE/ D1914

6

6EM100

WASHER See Illustration UNDERCARRIAGE/ D1914

7

15EM50

WASHER

8

HOSE NLA - 24'' (610mm) long - Order Ref. 29

9

6EM50

LOCK-WSHR

10

6533950

PLATE

11

6512067

GROMMET Was 6533975 - A

12

11H15

GREASE FITTING

13

1CM845

BOLT

14

6EM80

WASHER, SPRING

15

MOULDING NLA - 12'' (305mm) long - Order Ref. 30

16

6534815

COVER

17

MOULDING NLA - 24'' (610mm) long - Order Ref. 30

18

1CM516

BOLT Was 1CM00515B - A

19

6533970

STOPPER swing valve - W/12 mm wide slot - Use W/swivel joint 6533937 - See Service Letter dated Sept. 1991

19

6538801

STOP swing valve - W/16 mm wide slot - used with swivel joint 6658956

20

6533953

PIN

21

1CM1025

BOLT

22

6533923

COVER

23

1CM1020

BOLT

24

37K2

COUPLER

25

6533805

PLATE

26

6533974

FLOOR MAT canopy models

26

6534738

FLOOR MAT enclosed cab models

27

15EM100

WASHER

28

1CM1015

BOLT

29

6612842

HOSE bulk - Sold Per Foot

30

6512686

MOULDING bulk - Sold Per Foot

31

30H42

CLAMP

32

6534755

INSULATION fastens inside of hood

33

NLA - fastens inside of hood - Was 6534753 - A

34

6534751

INSULATION NLA - fastens inside of hood - Was 6534751 - A

35

INSULATION NLA - fastens inside of hood - Was 6534753 - A

36

6539680

SCREW Alignment

37

6539805

PIN Alignment

38

6588243

BRACKET swivel joint - Use W/ swivel joint 6664409

39

29CM820

SCREW

Выбрано товаров: 41