Качественные детали и логистика
Оригинальные и аналоговые запчасти с доставкой по России, Казахстану и Беларуси
©2022 PartSell ООО "Система" ИНН 2463123282 ОГРН 1212400004838
Центральный офис: г. Красноярск, Академика Киренского, д.87, пом.4
Телефон: 8 (800) 777-65-74 Email: zakaz@partsell.ru
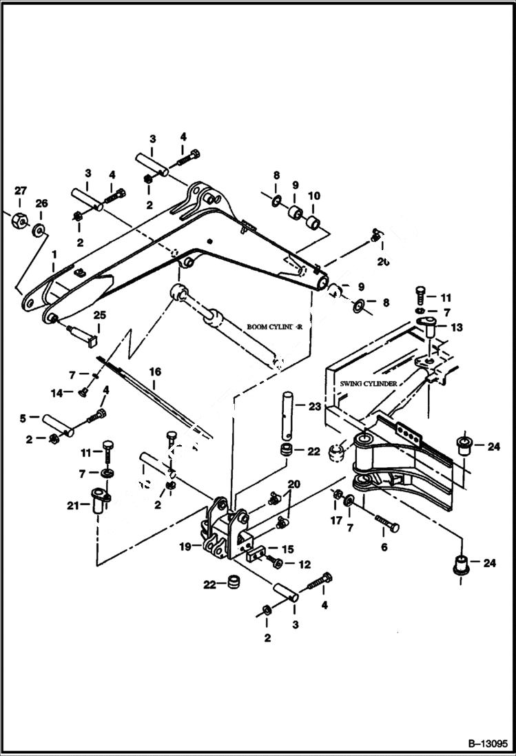
SWING BRACKET & BOOM
№
Артикул
Название
Примечание
Количество
1
BOOM See BTIE-006 NLA - Was 6536808 - A
2
39DM8
NUT
3
6533496
PIN
4
1CM860
BOLT
5
6533497
6
1CM1080
7
6EM100
WASHER
8
6533856
SHIM
9
6539270
BUSHING Was 6533426 - A
10
6533428
SPACER
11
1CM1020
12
7GM1020
13
6533505
14
1CM1016
SCREW Was 1CM01015B - A
15
6533595
BLOCK
16
6535481
GUARD Was 6533935 - A
17
1DM10
18
6533495
19
6533401
BRACKET swing
20
12H15
FITTING, GREASE 5
21
6533503
22
6533411
BUSHING
23
6533494
24
6533536
25
6588065
26
1EM240
27
49DM24
Выбрано товаров: 0