Запчасти Bobcat 220 SWIVEL & ARM CONTROL CONTROLS

Схема запчастей Bobcat 220 - SWIVEL & ARM CONTROL CONTROLS
FIT
1:1
100%

Артикул

Название

Примечание

Количество

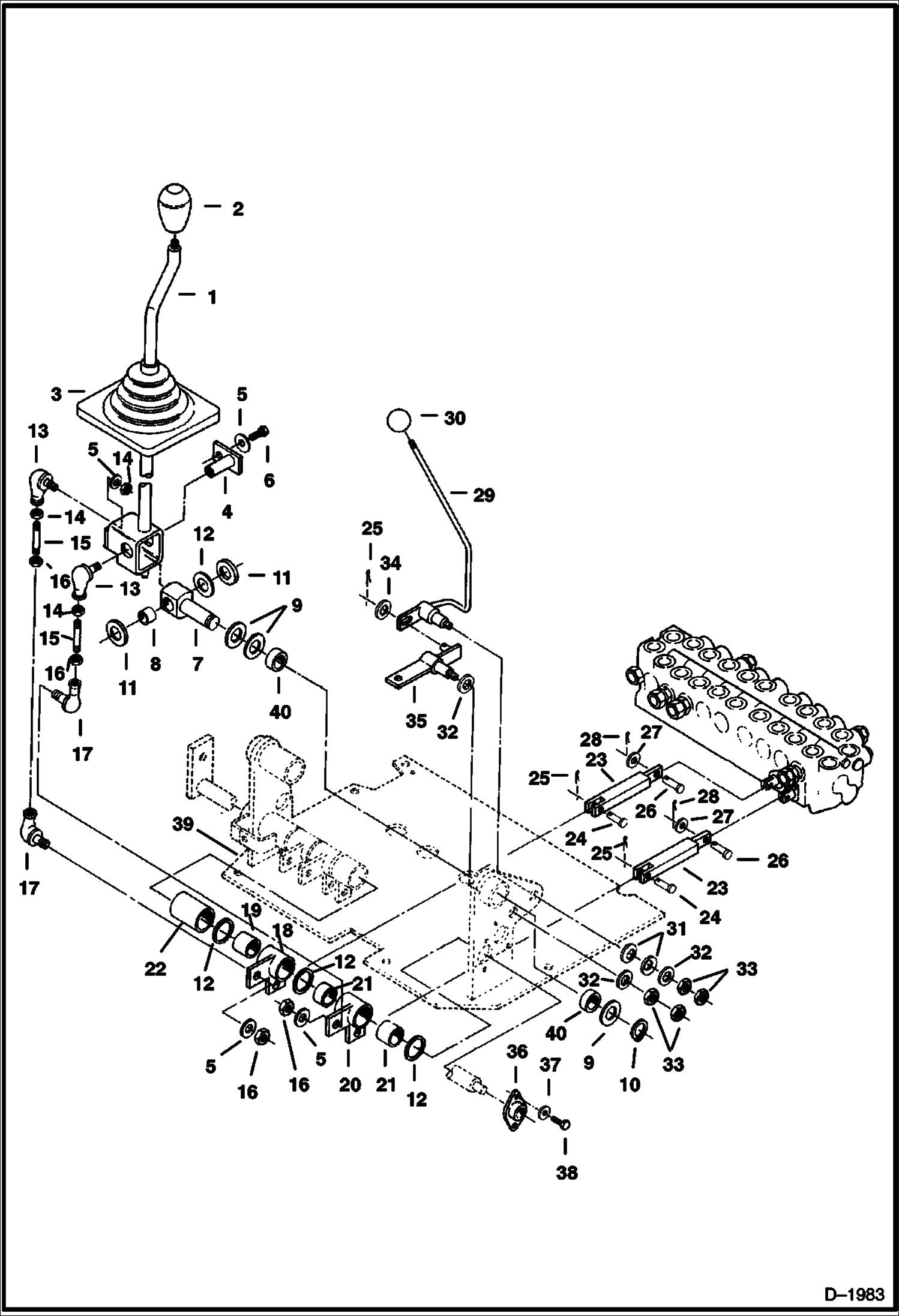
1

6534831

LEVER

2

6535015

KNOB

3

BOOT NLA - Was 6535012 - A

4

PIN NLA - Was 6533776 - A

5

6EM80

WASHER, SPRING

6

1CM816

BOLT

7

6533781

ROD W/Ref. 8

8

6535014

BUSHING

9

6535013

WASHER

10

5JM20

CIRCLIP, EXTERNAL

11

6533794

SPACER

12

6534701

SHIM

13

6535010

BALL JOINT 10 mm thread - R.H.

14

1DM10

NUT

15

6533791

ROD

16

6533906

NUT 10 mm thread - L.H.

17

6534745

BALL JOINT 10 mm thread - L.H.

18

LEVER NLA - W/Ref. 19 - Was 6533758 - A

19

6651904

BUSHING

20

6533754

LEVER W/Ref. 21

21

6651907

BUSHING Was 6531907 - D

22

SPACER NLA - Was 6534824 - A

23

6534832

YOKE

24

PIN NLA - Was 6533788 - A

25

13JM20016

SPLIT PIN

26

6534700

PIN

27

6535011

WASHER

28

13JM10016

COTTERPIN

29

6534827

LEVER

30

6533992

KNOB

31

6535484

WASHER conical

32

15EM120

WASHER

33

32DM120

NUT

34

15EM80

WASHER

35

6534826

LEVER

36

6654206

BEARING

37

6EM60

WASHER, SPRING

38

1CM616

SCREW Was 1CM00615B - A

39

6534830

PLATE See Illustration SWIVEL & ARM CONTROL/ D1983 W/Ref. 40

40

6651908

BUSHING

Выбрано товаров: 40