Качественные детали и логистика
Оригинальные и аналоговые запчасти с доставкой по России, Казахстану и Беларуси
©2022 PartSell ООО "Система" ИНН 2463123282 ОГРН 1212400004838
Центральный офис: г. Красноярск, Академика Киренского, д.87, пом.4
Телефон: 8 (800) 777-65-74 Email: zakaz@partsell.ru
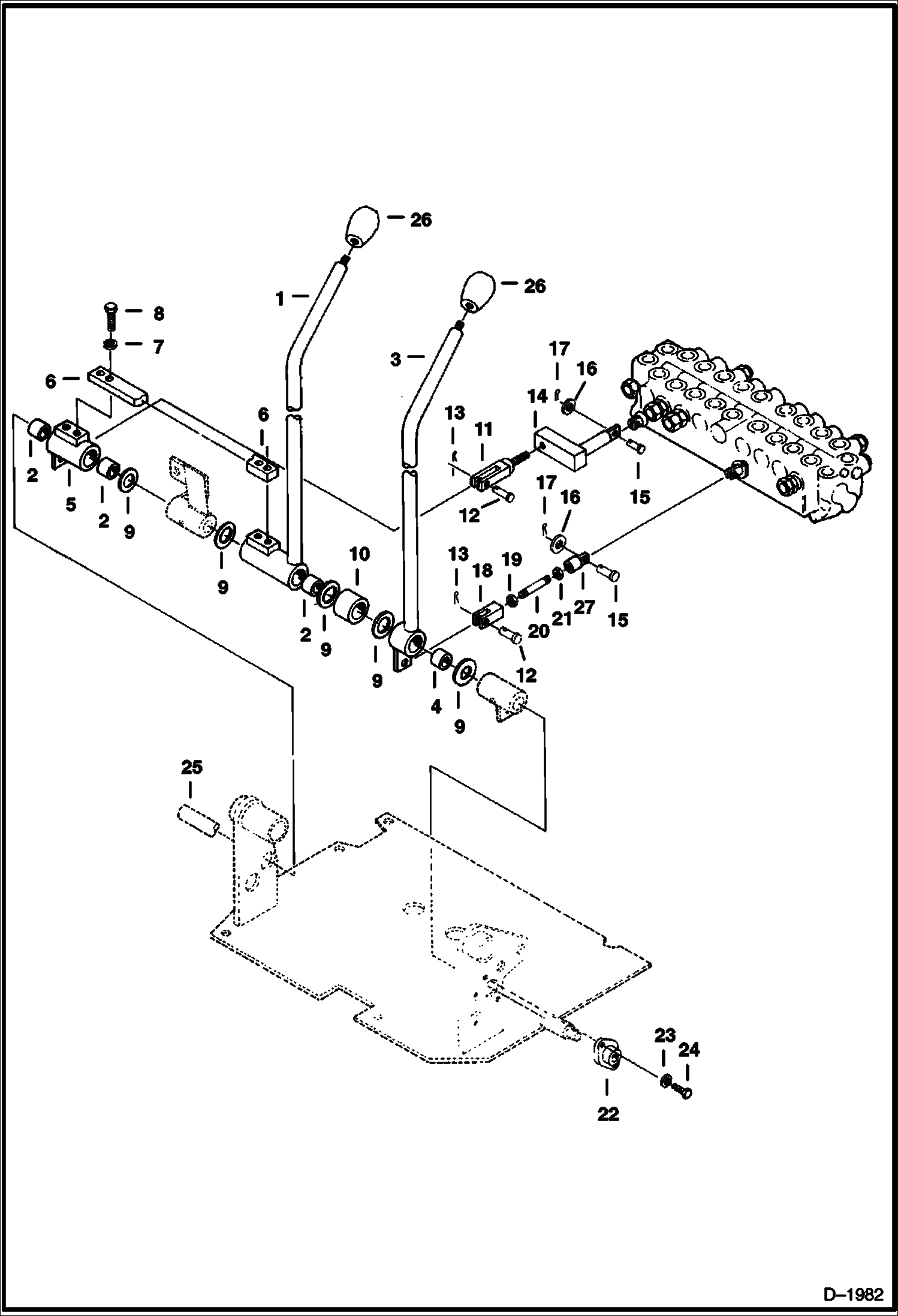
TRAVEL CONTROLS
№
Артикул
Название
Примечание
Количество
1
6533990
LEVER W/Ref. 2
2
6652556
BUSHING
3
6533717
LEVER W/Ref. 4
4
6651904
5
6533989
6
6533988
PLATE
7
6EM100
WASHER
8
1CM1020
BOLT
9
6534701
SHIM
10
6533792
SPACER
11
6535432
YOKE
12
PIN NLA - Was 6533788 - A
13
13JM20016
SPLIT PIN
14
YOKE NLA - Was 6535431 - A
15
6534700
PIN
16
6535011
17
13JM10016
COTTERPIN
18
6533786
19
6533905
NUT 8 mm - L.H.
20
6533790
ROD
21
1DM8
NUT
22
6654206
BEARING
23
6EM60
WASHER, SPRING
24
1CM616
SCREW Was 1CM00615B - A
25
SHAFT See Illustration CONTROL PEDAL/ D1984 NLA - WAS 6534828 - A
26
6535015
KNOB
27
YOKE NLA - Was 6533799 - A
Выбрано товаров: 0