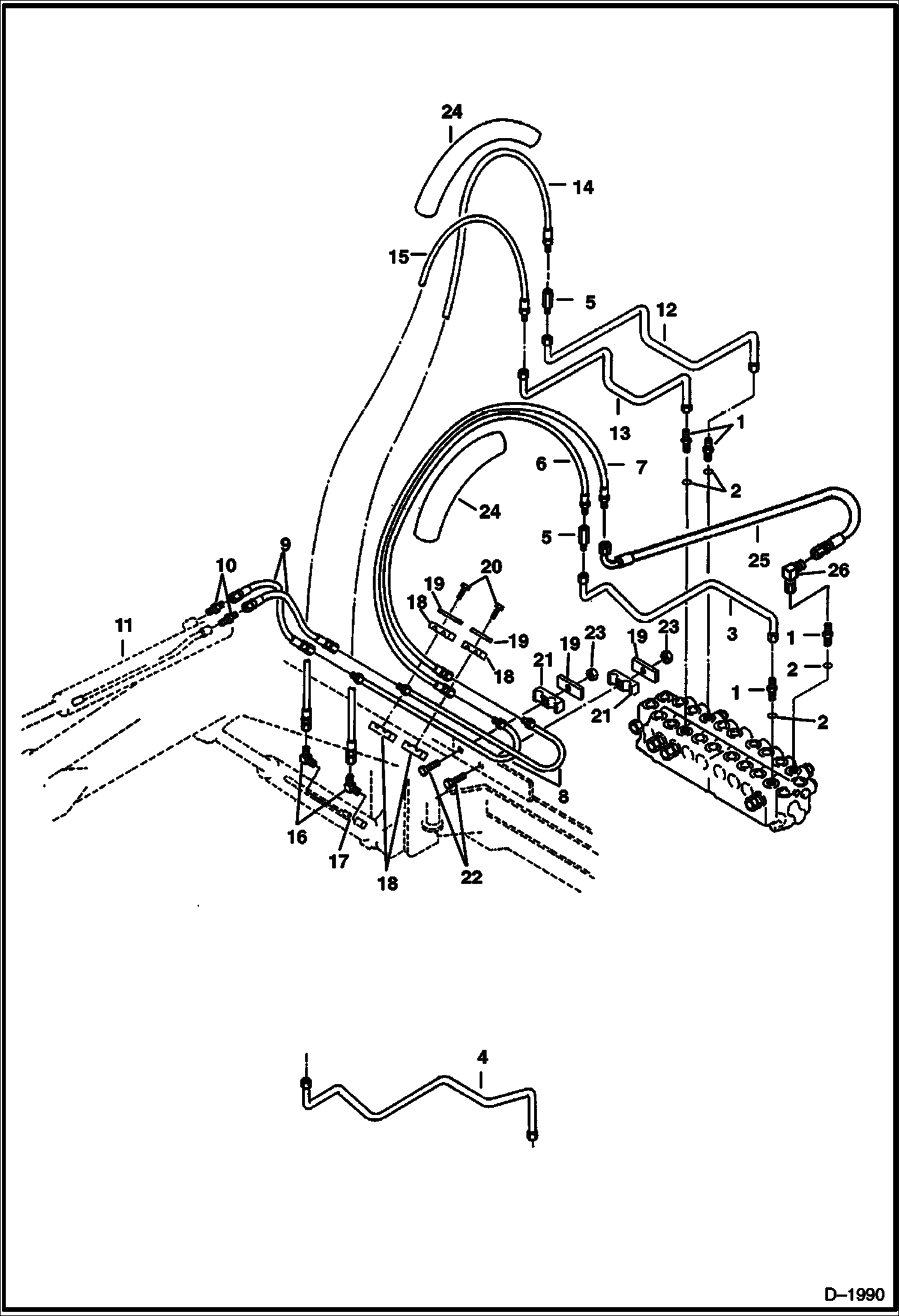
Запчасти Bobcat 220 HYDRAULIC CIRCUITRY Valve to Arm & Boom Cylinder HYDRAULIC SYSTEM

Схема запчастей Bobcat 220 - HYDRAULIC CIRCUITRY Valve to Arm & Boom Cylinder HYDRAULIC SYSTEM
FIT
1:1
100%

Артикул

Название

Примечание

Количество

1

6654375

ADAPTER W/Ref. 2

2

79K6

O RING 10

3

6535408

TUBE

4

TUBE NLA - Order Refs. 25 & 26 - Was 6535407 - A

5

6655021

RESTRICTOR

6

6535469

HOSE

7

6534838

HOSE

8

6534842

TUBE

9

6534836

HOSE

10

6654377

ADAPTER

11

CYLINDER See Illustration ARM CYLINDER/ B12738 See BTIE-003 NLA - ARM - WAS 6651894 - A

12

6535405

TUBE

13

6535406

TUBE

14

6535480

HOSE Was 6535468 - B

15

6534837

HOSE

16

6654378

ELBOW

17

CYLINDER See Illustration BOOM CYLINDER/ B12741 See BTIE-003 NLA - BOOM - WAS 6651893 - A

18

6578870

CLAMP

19

6535422

COVER Was 6579255 - A

20

1CM420

BOLT

21

6577697

CLAMP Was 6701893 - B

22

1CM635

BOLT

23

1DM6

NUT

24

6650108

HOSE COVER 1.25'' I.D. - Bulk - Sold Per Foot

25

6617936

HOSE replaces Ref. 4

26

11K5

FITTING replaces Ref. 4

Выбрано товаров: 26