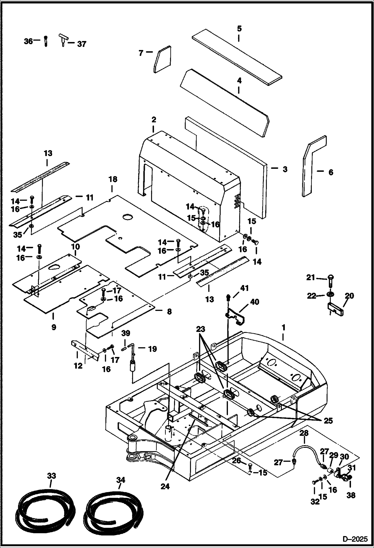
Запчасти Bobcat 220 REVOLVING FRAME & FLOOR PLATE MAIN FRAME

Схема запчастей Bobcat 220 - REVOLVING FRAME & FLOOR PLATE MAIN FRAME
FIT
1:1
100%

Артикул

Название

Примечание

Количество

1

6536581

FRAME See Service letter dated 1-15-92

2

6534815

COVER

3

INSULATION NLA - Fastens inside of hood - order 6587496 cut to fit - Was 6534750 - A

4

INSULATION NLA - Fastens inside of hood - order 6534750 cut to fit - Was 6534817 - A

5

INSULATION NLA - Fastens inside of hood - order 6587496 cut to fit - Was 6534751 - A

6

NLA - fastens inside of hood - Was 6534753 - A

7

6534755

INSULATION fastens inside of hood

8

6536828

PLATE

9

6539954

PLATE Was 6536827 - A

10

6537031

PLATE

11

6537032

PLATE

12

6537035

ANGLE support

13

6593245

TREAD

14

1CM1025

BOLT

15

6EM100

WASHER

16

15EM100

WASHER

17

1CM1020

BOLT

18

MAT NLA - canopy models - Was 6539956 - A

18

3966715

O RING See Illustration LOWER GASKET KIT/ C3244 Included W/lower gasket kit

18

6539955

FLOOR MAT enclosed cab models - Was 6537029 - A

19

6533953

PIN frame locking

20

6533970

STOPPER swing valve -W/12 mm wide slot See Service Letter dated Sept. 1991 - Use W/swivel joint 6533937

20

6538801

STOP swing valve - W/16 mm wide slot Use W/swivel joint 6658956

21

1CM845

BOLT

22

6EM80

WASHER, SPRING

23

MOULDING NLA - 15'' (381mm) long - W/Ref. 33

24

MOULDING NLA - 18'' (457mm) long - W/Ref. 33

25

6512067

GROMMET Was 6533975 - A

26

1CM1050

SCREW

27

6655591

NIPPLE WNut & Sleeve

28

HOSE NLA - 24'' (610mm) long - Order Ref. 34

29

37K302

COUPL Was 37K000002B - D

30

30H42

CLAMP Was 30H000038B - A

31

11H15

GREASE FITTING

32

1CM1025

BOLT Was 7GM01025B - D

33

6654139

MOULDING bulk - sold per foot - Was 6512686 - B

34

6612842

HOSE Bulk - Sold Per Foot

35

6503451

SPACER

36

6539680

SCREW Alignment

37

6539805

PIN Alignment

38

6652943

COVER grease fitting

39

6658108

KNOB

40

6588243

BRACKET swivel joint - Use W/swivel joint 6664409

41

29CM820

SCREW

Выбрано товаров: 44