Качественные детали и логистика
Оригинальные и аналоговые запчасти с доставкой по России, Казахстану и Беларуси
©2022 PartSell ООО "Система" ИНН 2463123282 ОГРН 1212400004838
Центральный офис: г. Красноярск, Академика Киренского, д.87, пом.4
Телефон: 8 (800) 777-65-74 Email: zakaz@partsell.ru
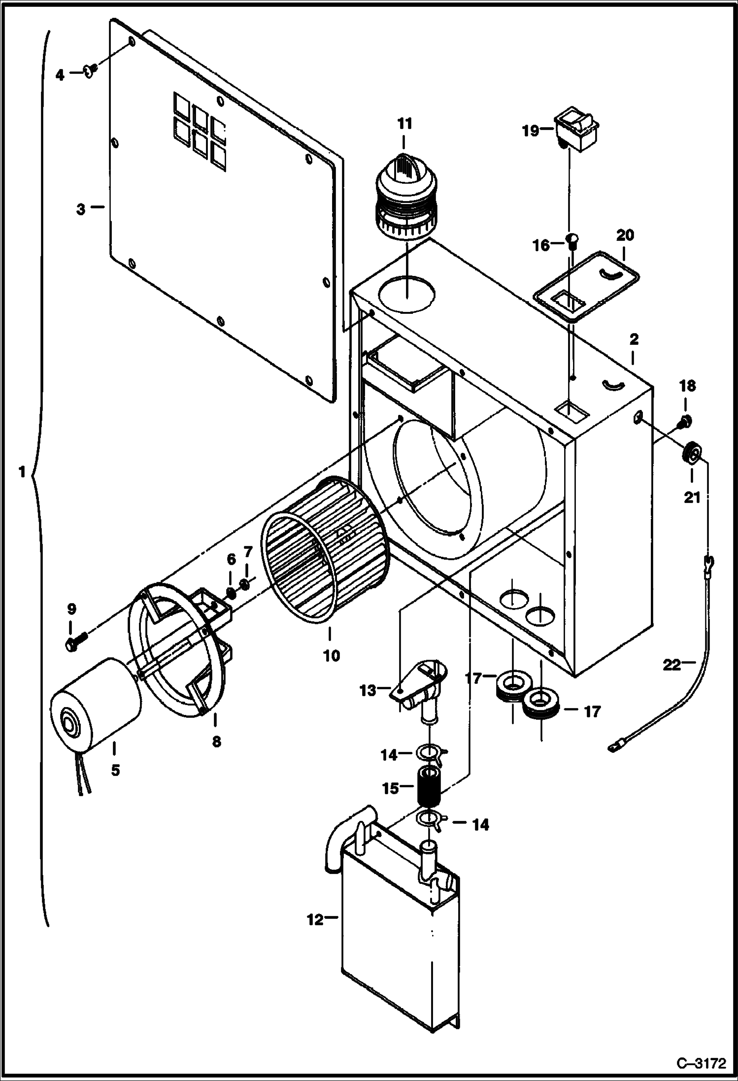
HEATER (With Single Speed Fan Motor)
№
Артикул
Название
Примечание
Количество
1
HEATER ASSY. NLA - Was 6654185 - A
2
6654186
HOUSING
3
6654190
COVER
4
6641066
SCREW
5
6654187
MOTOR 12 volt
6
6641072
WASHER
7
6641073
NUT
8
6648467
MOUNT motor
9
6641062
10
6648468
FAN blower
11
6654193
LOUVER
12
CORE NLA - heater - Was 6654189 - A
13
6654191
VALVE shut off
14
6654192
CLAMP
15
889269
HOSE BULK/FT bulk - Sold Per Foot
16
85G808
17
6641056
GROMMET
18
6654195
BOLT
19
6641061
SWITCH
20
DECAL NLA - Was 6654194 - A
21
6654196
22
6654188
WIRE
Выбрано товаров: 0