Запчасти Bobcat 220 UNDERCARRIAGE UNDERCARRIAGE

Схема запчастей Bobcat 220 - UNDERCARRIAGE UNDERCARRIAGE
FIT
1:1
100%

Артикул

Название

Примечание

Количество

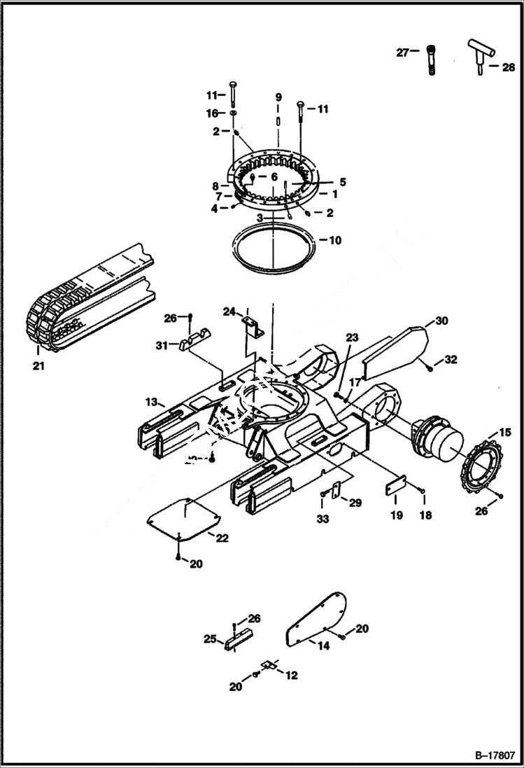
1

6652015

SWING BEARING W/Ref. 2-8 & 10 - 110 teeth on swing gear

2

6652970

GREASE FITTING Was 6533968 - A

3

PLUG NLA

4

6652962

SET SCREW

5

PIN NLA

6

1HM6

OILER Was 6652961 - A

7

SPACER NLA

8

BALL NLA

9

20JM530

PIN swing circle to frame locating

10

6652969

SEAL BULK/FT

11

10CM1045

BOLT

12

6533874

COVER Was 6EM00080B - D

13

6536560

TRACK FRAME

13

TRACK FRAME NLA - Order (1) 6596099 & (1) 6589305 - Was 6539721 - A

13

6596099

FRAME Was 6589282 - A

14

6533658

COVER

15

6535440

SPROCKET

15

6539720

SPROCKET

16

27E6

WASHER 5

17

6EM100

WASHER

18

29CM1020

BOLT Was 1CM01020B - B

19

6533656

COVER

20

29CM816

SCREW Was 1CM00820B - B

21

TRACK, RUBBER See Illustration TRACKS/ NA6209

22

6533655

COVER

23

1CM1030

BOLT Was 1CM01025B - B

24

6539417

MOUNT Was 6537033 - A

25

6533657

PLATE

26

3GM1025

BOLT Was 7GM01025B - B

27

6539680

SCREW Alignment

28

6539805

PIN Alignment

29

6596203

COVER Use with frame 6589282 only

30

6589305

COVER Use with frame 6589282 only

31

6589639

PLATE slide - used with frame 6589282 only

32

26GM10020

BOLT

33

26GM8016

SCREW

Выбрано товаров: 36