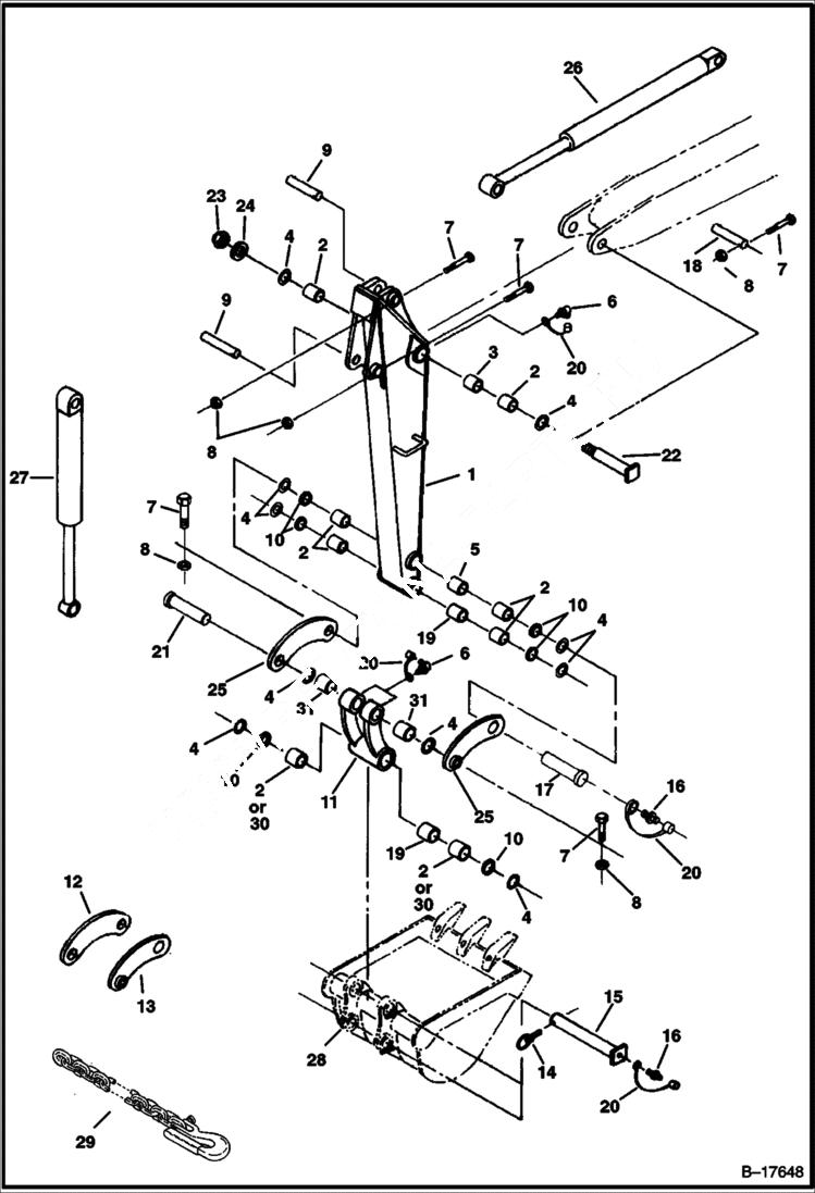
Запчасти Bobcat 220 ARM & BUCKET LINK WORK EQUIPMENT

Схема запчастей Bobcat 220 - ARM & BUCKET LINK WORK EQUIPMENT
FIT
1:1
100%

Артикул

Название

Примечание

Количество

1

6539273

ARM Was 6536580 - A

2

6539270

BUSHING Use W/link 6586425 only - Was 6539270 - B

3

6533447

SPACER

4

6533856

SHIM

5

6533458

SPACER

6

12H15

FITTING, GREASE 5

7

1CM855

BOLT Was 1CM00860B - A

8

49DM8

NUT Was 39DM00008B - B

9

6533496

PIN

10

6653534

SEAL

11

6802218

LINK, BUCKET MACHINED Also Order Ref. 30 & 31 - Was 6586425 - A

12

LINK NLA - Order Ref. 25 qty. 2 - Was 6533451 - A

13

LINK NLA - Order Ref. 25 qty. 2 - Was 6533450 - A

14

6560382

PIN, LOCK lock ring

15

6539737

PIN, PIVOT Was 6536857 - A

16

10H25

FITTING, GREASE 5

17

6533498

PIN

18

6533497

PIN arm to boom mounting

19

6536851

SPACER Use W/link 6586425 only

20

6652943

COVER grease fitting

21

6539526

PIN

22

6539760

PIN 4.80''long shank(122mm)

22

6588065

PIN 5.55'' long shank (141mm)

23

49DM24

NUT

24

1EM240

WASHER

25

6587741

LINK

26

CYLINDER See Illustration ARM CYLINDER/ C3180 arm

28

BUCKETS See Illustration BUCKET CYLINDER/ C3183

29

6665374

CHAIN lifting - available thru MELROE PARTS - not factory installed

30

6802217

BUSHING, PRESS FIT Use W/link 6802218 only

31

6802588

BUSHING, PRESS FIT Use W/link 6802218 only

Выбрано товаров: 31