Качественные детали и логистика
Оригинальные и аналоговые запчасти с доставкой по России, Казахстану и Беларуси
©2022 PartSell ООО "Система" ИНН 2463123282 ОГРН 1212400004838
Центральный офис: г. Красноярск, Академика Киренского, д.87, пом.4
Телефон: 8 (800) 777-65-74 Email: zakaz@partsell.ru
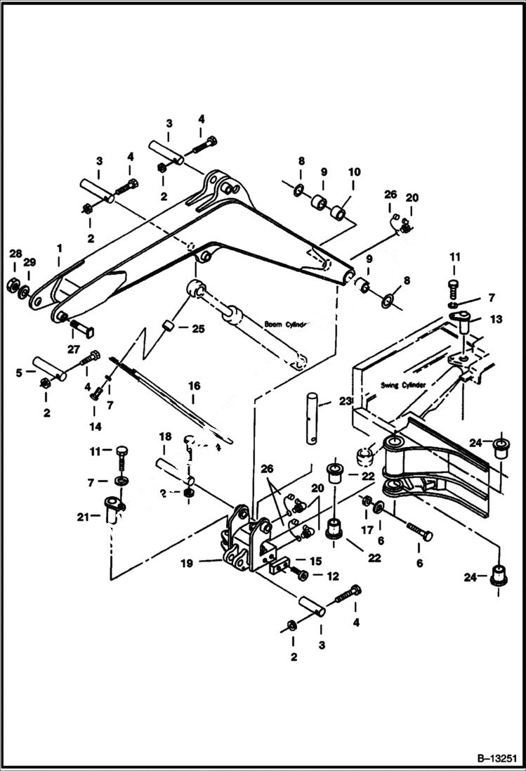
SWING BRACKET & BOOM
№
Артикул
Название
Примечание
Количество
1
BOOM See BTIE-006 NLA - W/Refs. 9 & 10 - Was 6539762 - A
2
49DM8
NUT Was 39DM00008B - B
3
MOULDING NLA - 108'' (2743mm) long - Order Ref. 31 - Was 6648405 - A
6533496
PIN
4
1CM855
BOLT Was 1CM00860B - B
5
6533497
PIN Arm to boom mounting
6
1CM1080
BOLT
7
6EM100
WASHER
8
6533856
SHIM
9
6539270
BUSHING Was 6587765 - B
10
6533428
SPACER
11
1CM1020
12
3GM1020
SCREW Was 7GM01020B - B
13
6533505
14
1CM1030
15
6533595
BLOCK
16
6535481
GUARD
17
49DM10
NUT Was 39DM00010B - B
18
6533495
19
6533401
BRACKET swing
20
12H15
FITTING, GREASE 5
21
6533503
22
6539898
BUSHING Was 6533411 - A
23
6533494
24
6539897
BUSHING Was 6533536 - A
25
6535793
26
6652943
COVER grease fitting
27
6539760
PIN 4.80'' long shank (122mm)
6588065
PIN 5.55''long shank (141mm)
28
49DM24
NUT
29
1EM240
Выбрано товаров: 0