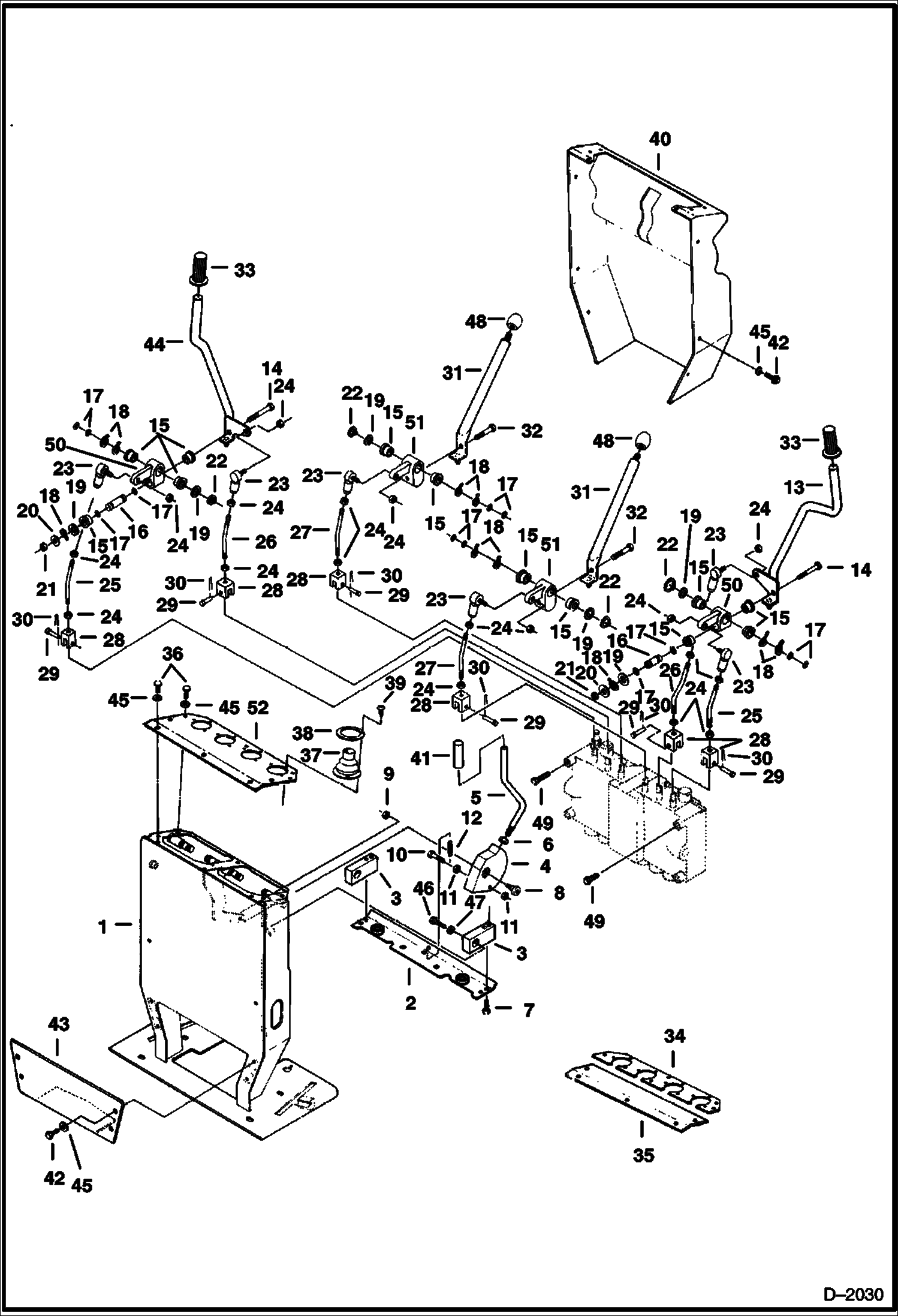
Запчасти Bobcat 220 BOOM, ARM, BUCKET, SWIVEL & TRAVEL CONTROLS (S/N 508212000-12951) WORK EQUIPMENT

Схема запчастей Bobcat 220 - BOOM, ARM, BUCKET, SWIVEL & TRAVEL CONTROLS (S/N 508212000-12951) WORK EQUIPMENT
FIT
1:1
100%

Артикул

Название

Примечание

Количество

1

6536590

CONSOLE

2

6586572

ANGLE lever lock-out -Was 6539916 - A

3

6587150

ARM Was 6536570 - A

4

6536810

CAM

5

6536809

LEVER

6

1DM12

LOCK NUT

7

1CM816

BOLT

9

49DM8

NUT Was 39DM00008B - B

10

1CM835

BOLT

11

1DM8

NUT

12

SPRING NLA - Was 6537016 - A

13

6587061

LEVER Was 6538436 - A

14

1CM1055

BOLT

15

6536801

BUSHING

16

6536545

SLEEVE

17

58K015

O-RING 10

18

6536803

WASHER wave

19

6536802

WASHER

20

27E6

WASHER 5 Was27E-16 - B

21

49DM10

NUT Was 39DM00010B - B

22

6651530

SNAP RING

23

6536531

BALL JOINT

24

1DM10

NUT

25

6536535

ROD

26

6536585

ROD

27

6536536

ROD

28

6536549

YOKE Was 6536540 - D

29

6536543

PIN

30

1F212

PIN

31

LEVER NLA - order (2) 6539918 , 6660787 & (2) 6658184 - Was 6537433 - A

32

1CM1025

BOLT

33

6656003

KNOB

34

COVER NLA - order 6586312 -Was 6537012 - A

35

COVER NLA - order 6586312 -Was 6537013 - A

36

1CM620

BOLT

37

BOOT NLA - Was 6537000 - A

38

6537023

RETAINING RING

39

58G808

SCREW

40

6537024

COVER

41

KNOB NLA - Was 6658108 - A

42

1CM614

SCREW

43

6536837

COVER

44

6587060

LEVER Was 6538435 - A

45

15EM60

WASHER

46

1CM1025

BOLT

47

25E18

WASHER

48

6515888

KNOB

49

2C512

SCREW

50

LEVER NLA - Was 6536556 - A

51

6536575

LEVER

52

6586312

COVER

Выбрано товаров: 51