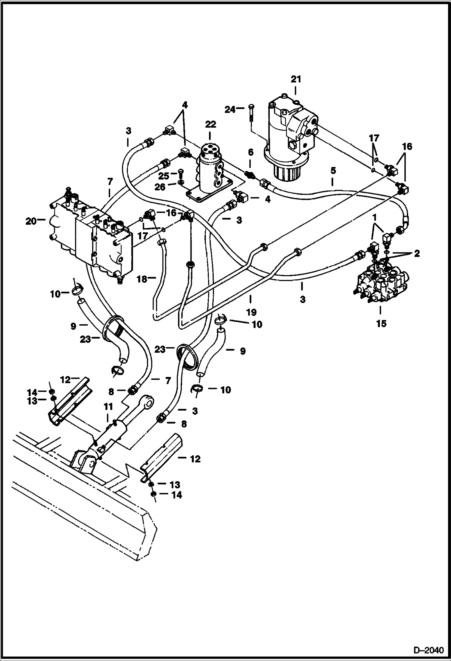
Запчасти Bobcat 220 HYDRAULIC CIRCUITRY (Blade & Swing) HYDRAULIC SYSTEM

Схема запчастей Bobcat 220 - HYDRAULIC CIRCUITRY (Blade & Swing) HYDRAULIC SYSTEM
FIT
1:1
100%

Артикул

Название

Примечание

Количество

1

1300913

ELBOW W/Ref. 2

2

79K10

O RING 10

3

6597885

HOSE incl. hose cover Ref. 9 - Was 6589724 - A

4

6654378

ELBOW Use W/swivel joint 6658956

4

17K5

ELBOW W/Ref. 17 - Use W/swivel joint 6664906

5

6535449

HOSE

6

6654377

ADAPTER Use W/swivel joint 6658956

6

15K5

FITTING W/Ref. 17 - Use W/swivel joint 6664906

7

6597884

HOSE Incl. Hose Cover, Ref. 9 - Was 6589723 - A

8

6586430

ORIFICE .035'' (0.9 mm)-Was 6618286 - A

9

6649389

HOSE COVER 1''(25mm) long I.D. - bulk - sold per foot

10

6665221

CABLE TIE metal requires tool MEL-1427 to install cable tie - Was 6610510 - B

11

6587000

CYLINDER See Illustration HYDRAULIC CIRCUITRY/ D2182 Was 6534421 - A

12

6536611

SHIELD

13

15EM100

WASHER

14

49DM10

NUT Was 39DM00010B - B

16

17K5

ELBOW W/Ref. 17

17

79K6

O RING 10

18

6536874

TUBE swing top

19

6536873

TUBE swing bottom

20

VALVE See Illustration CONTROL VALVE ASSEMBLY/ D2043 NLA - Was 6655456 - A

21

MOTOR See Illustration SWING MOTOR/ B17839

22

SWIVEL JOINT See Illustration SWIVEL JOINT/ B12744

23

6512067

GROMMET attaches to track frame- (54mm I.D.) - Was 6533975 - A

23

6511983

GROMMET attaches to track frame - (38mm I.D.)

24

1CM1040

BOLT

25

1CM835

BOLT

26

6EM80

WASHER, SPRING

Выбрано товаров: 28