Запчасти Bobcat 220 ELECTRICAL SYSTEM ELECTRICAL SYSTEM

Схема запчастей Bobcat 220 - ELECTRICAL SYSTEM ELECTRICAL SYSTEM
FIT
1:1
100%

Артикул

Название

Примечание

Количество

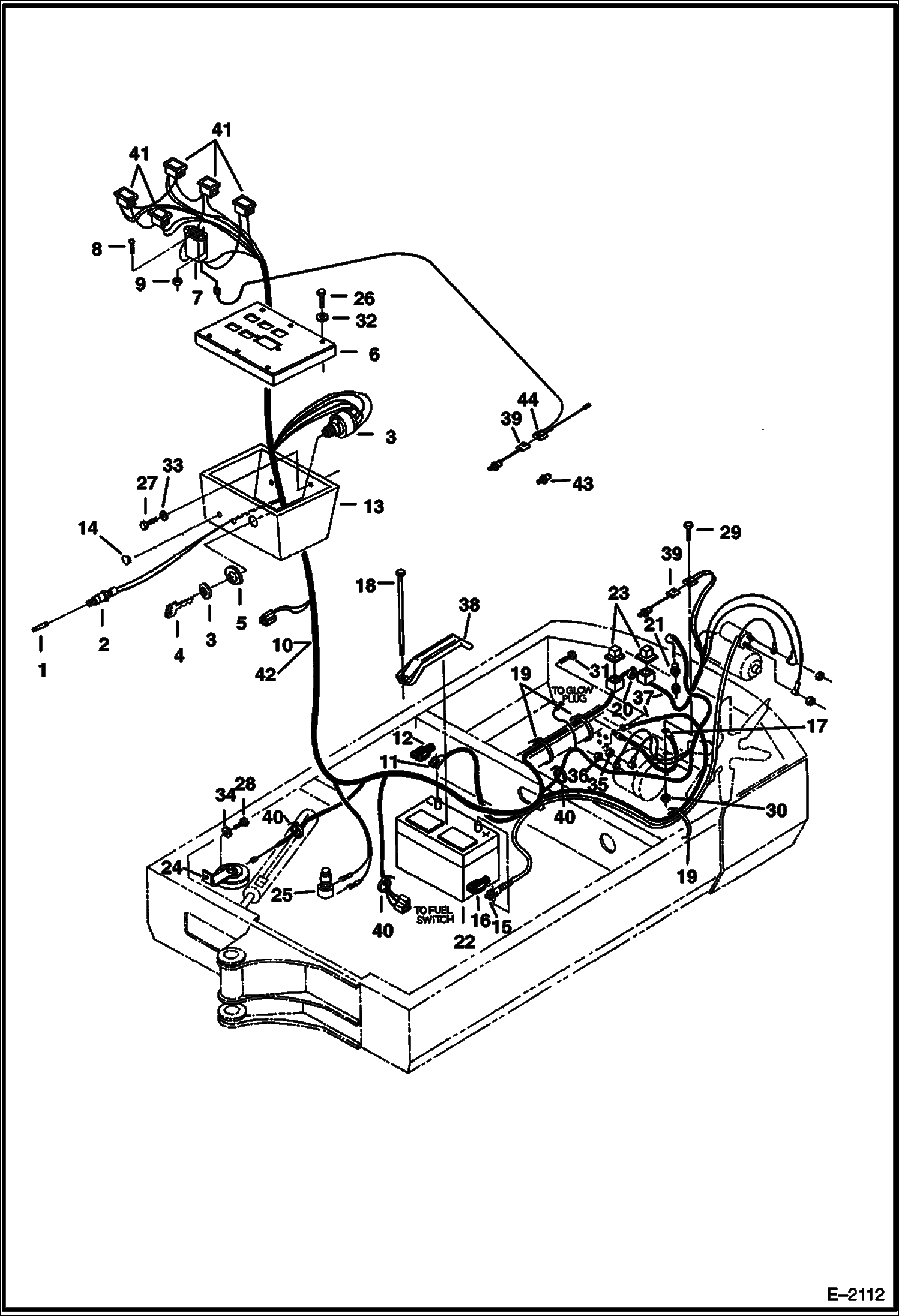
1

1319451

FUSE 5

2

6513469

HOLDER

3

SWITCH NLA - ignition - W/Ref. 4 - Was 6519592 - A

3

6666548

SWITCH See BTIE-041 ignition

4

6512809

KEY Use W/ignition switch 6519592

4

6587458

KEY Use W/ignition switch 6666548

5

6535401

DECAL ignition - Use W/ignition switch 6519592

5

6596217

PLATE ignition - Use W/ignition switch 6666548

6

6534774

PANEL instrument

6

6536806

DECAL instrument panel

7

6664886

HOURMETER Was 6631657 - A

8

87G610

SCREW

9

12D6

NUT 10

10

6586394

HARNESS

11

6534798

CABLE negative - W/Ref. 12

12

BOOT NLA - Was 6599652 - A

13

6534800

PANEL dash

14

1300057

PLUG hole

15

6534847

CABLE positive - W/Ref. 16

16

2356058

BOOT

17

6565170

CABLE neg

18

6569623

BOLT

19

6624289

STRAP, TIE

20

6630586

CLIP

21

6630821

SWITCH temperature - water

22

6674687

BATTERY, DRY 600 AMP Was 6669318 - A

23

6651975

SWITCH magnetic - Was 6649267 - A

24

6665105

ALARM was 6662635 - A

25

6632973

SWITCH horn - Was 6654809 - A

26

1CM510

BOLT

27

1CM610

BOLT

28

1CM812

BOLT

29

1CM1020

BOLT

30

1DM10

NUT

31

5CM1020

SCREW

32

6EM50

LOCK-WSHR

33

6EM60

WASHER, SPRING

34

6EM80

WASHER, SPRING

35

12D10

NUT

36

62D4

NUT

37

97F5

BUSHING

38

6569203

CLAMP batter - Was 6563462 - A

39

6537501

SWITCH oil pressure

40

6610510

TIE

40

907828

BUSHING

41

6646779

LAMP indicator

42

HARNESS NLA - Order Ref. 10 & 29 - Was 6534794 - A

43

6969775

SWITCH, OIL PRESSURE oil pressure - single wire - Was 6652576 - A

44

6586423

HARNESS adapter - hourmeter - See Service Letter dated Nov 11, 1991

Выбрано товаров: 0