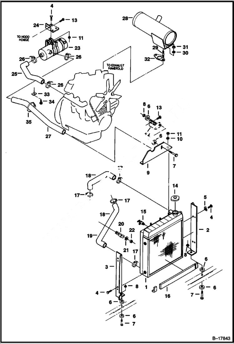
Запчасти Bobcat 220 RADIATOR, AIR CLEANER & MUFFLER MOUNTING POWER UNIT

Схема запчастей Bobcat 220 - RADIATOR, AIR CLEANER & MUFFLER MOUNTING POWER UNIT
FIT
1:1
100%

Артикул

Название

Примечание

Количество

1

RADIATOR NLA - W/Ref. 14 - Order Radiator 6664487 & Mount 6537539 - Was 6653771 or 6657311 - A

2

6534784

MOUNT

3

6534785

MOUNT

4

1CM816

BOLT

5

30H30

CLAMP

6

6653763

MOUNT assy.

7

1CM1045

BOLT

8

49DM10

NUT Was 39DM00010B - B

9

6534786

MOUNT 13.03'' (331.0 mm) long

9

6537539

MOUNT 13.07'' (332.0 mm) long

10

15EM80

WASHER

11

1DM8

NUT

12

6534787

MOUNT attaches to hood hinge

12

6681757

GASKET THERMOSTAT See Illustration UPPER GASKET KIT/ C3243 Included W/upper gasket kit - Was 6666813 - A

13

1CM1025

BOLT

14

6666606

RADIATOR CAP radiator - Was 6646545 - A

15

6513679

VALVE

16

6554274

INSULATION 17'' (431mm) long - bulk - sold per foot

17

42H16

CLAMP, HOSE 5

18

6534727

HOSE upper radiator

19

6534728

HOSE lower radiator

20

6535470

CLAMP

21

6EM60

WASHER, SPRING

22

1DM6

NUT

23

905282

AIR CLNR See Illustration ENGINE AIR CLEANER/ B17728 Was 6555551 - A

24

6534783

MOUNT attaches to hood hinge

25

6534730

HOSE

26

42H24

CLAMP-5 Was 6513595 - A

27

6534729

HOSE

28

6653777

MUFFLER spark arrestor

28

6664006

EXHAUST PURIFIER purifier

29

6630195

STUD

30

1EM100

WASHER

31

2DM10

NUT

32

3974507

GASKET

33

6623609

TAB mounting

34

26GM8016

SCREW attaches to engine cover

35

6624289

STRAP, TIE

Выбрано товаров: 38