Запчасти Bobcat 220 BRAKE KIT-FIELD INSTALLED (S/N 508212001-12285)) ACCESSORIES & OPTIONS

Схема запчастей Bobcat 220 - BRAKE KIT-FIELD INSTALLED (S/N 508212001-12285)) ACCESSORIES & OPTIONS
FIT
1:1
100%

Артикул

Название

Примечание

Количество

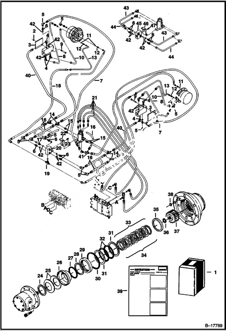
1

6538334

BRAKE KIT includes Refs. 2-42

2

39DM8

NUT lock

3

6538328

SPACER

4

17K5

ELBOW include Ref. 42

5

11K5

FITTING 90 swivel

6

15K5

FITTING include Ref. 42

7

6700215

HOSE

8

6538323

TUBE

9

1CM870

BOLT

10

6538322

TUBE

11

79K3

O RING 10

12

6655811

CONNECTOR straight

13

6538324

TUBE

14

14K5

TEE swivel

15

6654377

ADAPTER straight

16

6700336

HOSE

17

16K5

FITTING

18

6538330

HOSE

19

19K3

FITTING

20

6660273

SHUTTLE VALVE

21

6534014

HOSE

22

6539417

MOUNT

23

29CM816

SCREW

24

6658368

RACE

25

SPRING NLA - Was 6658369 - A

26

6658370

PISTON

27

6658371

O-RING

28

6658366

BACK-UP RING

29

6658372

PISTON BUSHING

30

6656471

O-RING

31

6658377

BACK-UP RING

32

6658378

O-RING

33

6658374

DISC steel

34

6658375

DISC sintered

35

6658376

BUSHING

36

6658367

SNAP RING

37

6658373

GEAR

38

6656468

O-RING

39

6720580

INSTRUCTIONS

40

6530892

HOSE

41

13K5

TEE

42

79K6

O RING 10

43

TUBE NLA - Order Ref. 5 & 16 - Was 6538326 - A

44

TUBE NLA - Order Ref. 5 & 16 - Was 6538327 - A

45

VALVE See BTIE-014 NLA - Was 6658351 - A

46

BRACKET NLA - Order Ref. 22 - Was 6537033 - A

47

BOLT NLA - Order Ref. 23 -Was 1CM00820B - B

Выбрано товаров: 0