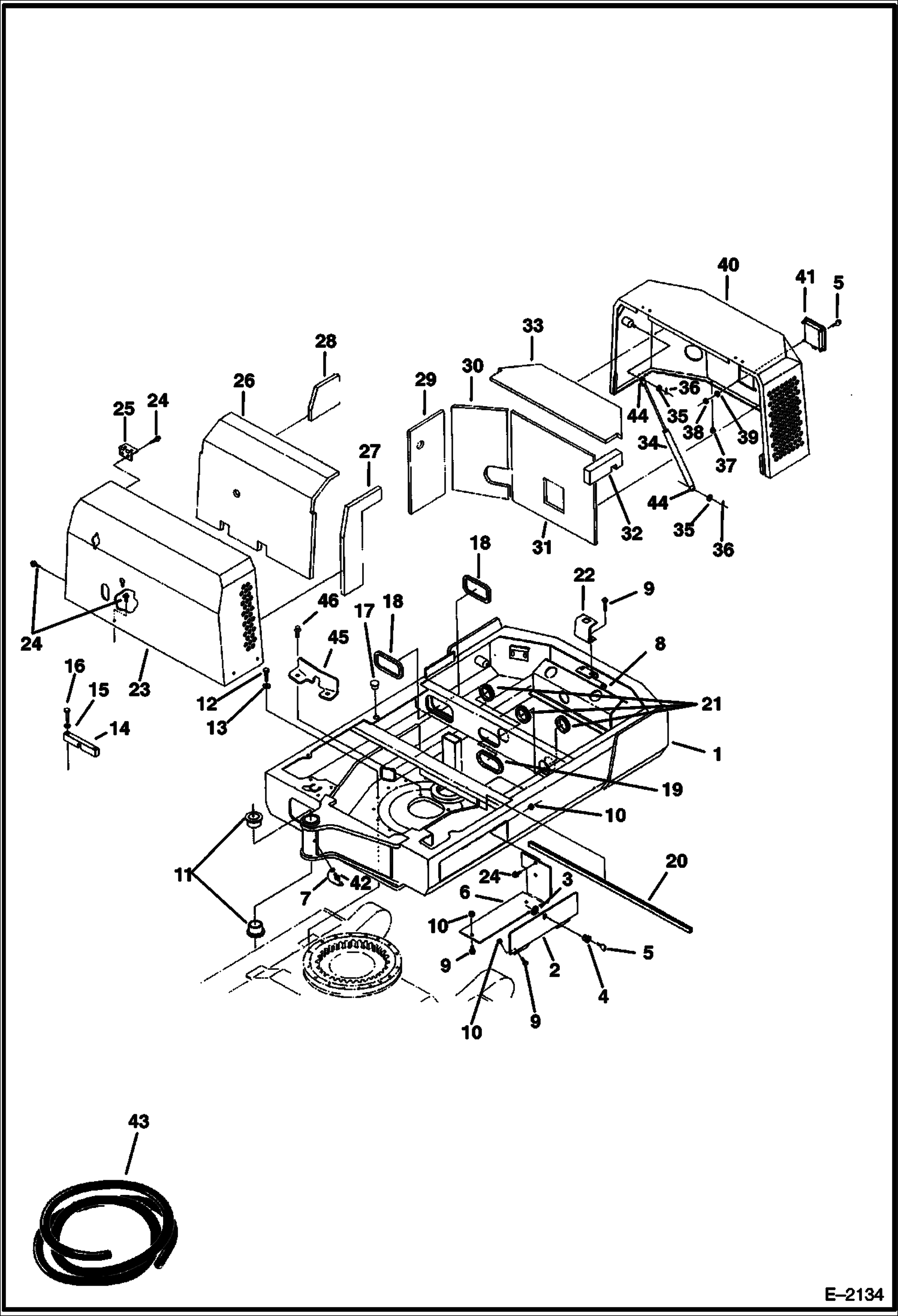
Запчасти Bobcat 220 REVOLVING FRAME & ENGINE COVERS MAIN FRAME

Схема запчастей Bobcat 220 - REVOLVING FRAME & ENGINE COVERS MAIN FRAME
FIT
1:1
100%

Артикул

Название

Примечание

Количество

1

6586800

FRAME

2

6536846

LID tool box

3

6536802

WASHER

4

6674389

LOCK ASSY tool box - Was 6661695 - A

5

6587458

KEY

6

6586816

PLATE tool box bottom

7

6652943

COVER grease fitting

8

1DM10

NUT

9

29CM1025

BOLT Was 29GM01025B - D

10

49DM10

NUT Was 29CM01016B - D

11

6539897

BUSHING

12

10CM1045

BOLT

13

27E6

WASHER 5

14

6538801

STOP Use W/swivel joint 6658956

15

6EM80

WASHER, SPRING

16

1CM845

BOLT

17

6661991

PLUG hole - ROPS models only

18

EDGING NLA - 17 1/4'' (438mm) long - Order Ref. 43

19

EDGING NLA - 11 1/2'' (292mm) long - Order Ref. 43

20

EDGING NLA - 23'' (584mm) long - Order Ref. 43

21

6512067

GROMMET Was 6533975 - A

22

6534890

BRACKET

23

6587187

COVER engine over - Was 6586816 - D

24

29CM1020

BOLT

25

6533959

HINGE

26

6587496

INSULATION

27

NLA - Was 6534753 - A

28

6534755

INSULATION

29

6534758

INSULATION

30

INSULATION NLA - Was 6534759 - A

31

6535457

INSULATION

32

INSULATION NLA - Was 6535458 - A

33

6535477

INSULATION

34

6654364

CYLINDER gas spring - W/Ref. 44

35

15EM80

WASHER

36

COTR.PIN NLA - Was 13JM16016 - A

37

6653459

STOP rubber

38

61D4

NUT 5

39

4E4

WASHER

40

6534813

COVER engine

41

6661629

LATCH hood

42

10H25

FITTING, GREASE 5

43

6512686

MOULDING bulk - sold per foot - Was 6620417 - A

44

6664042

CLEVIS

45

6588243

BRACKET swivel joint - Use W/swivel joint 6664409

46

29CM820

SCREW

Выбрано товаров: 46