Запчасти Bobcat 220 ARM WORK EQUIPMENT

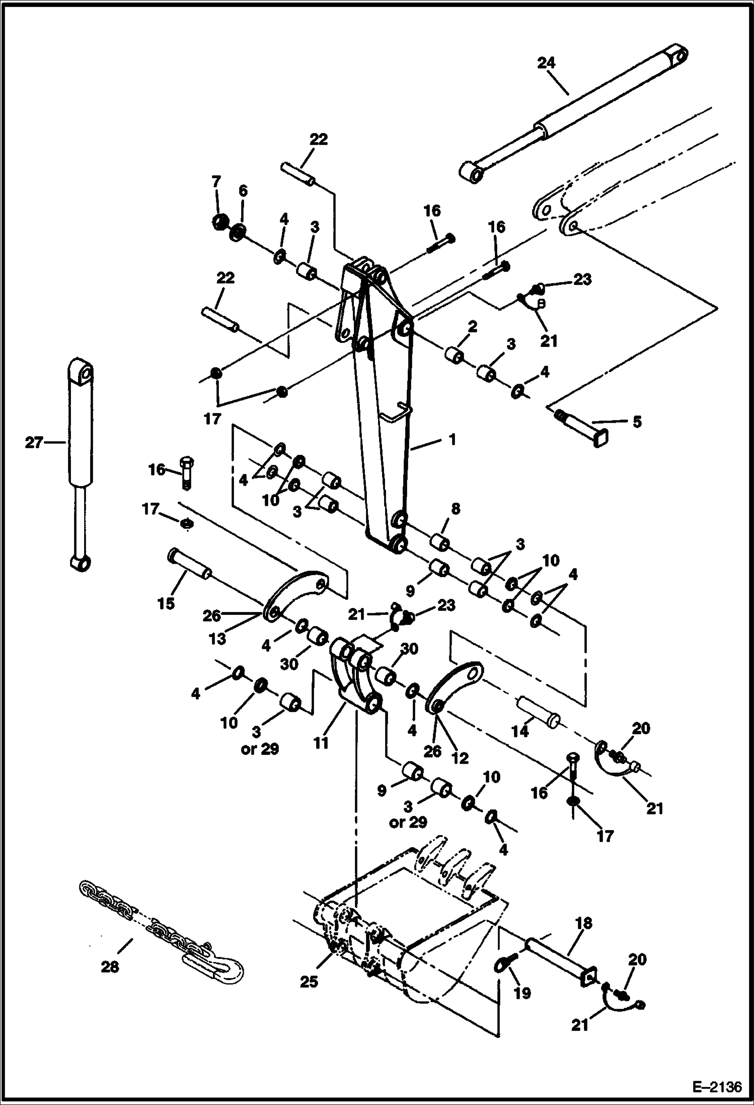
Схема запчастей Bobcat 220 - ARM WORK EQUIPMENT
FIT
1:1
100%

Артикул

Название

Примечание

Количество

1

6587834

ARM Was 6587243 - A

2

6533447

SPACER

3

6539270

BUSHING Use W/Link 6586425 only - Was 6587765 - B

4

6533856

SHIM

5

6539760

PIN 4.80'' (122mm) long shank

5

6588065

PIN 5.55'' (141mm) long shank

6

1EM240

WASHER

7

49DM24

NUT

8

6533458

SPACER

9

6536851

SPACER Use W/Link 6586425 only

10

6653534

SEAL

11

6802218

LINK, BUCKET MACHINED Also Order Ref. 29 & 30 - Was 6586425 - A

12

LINK NLA - Order (2) Ref. 26 - Was 6533450 - A

13

LINK NLA - Order (2) Ref. 26 - Was 6533451 - A

14

6533498

PIN

15

6539526

PIN

16

1CM855

BOLT

17

49DM8

NUT

18

6539737

PIN, PIVOT

19

6560382

PIN, LOCK retainer

20

10H25

FITTING, GREASE 5

21

6652943

COVER grease fitting

22

6533496

PIN

23

12H15

FITTING, GREASE 5 grease

24

6588297

CYLINDER See Illustration ARM CYLINDER/ C3314 arm - Was 6587079 - A

25

BUCKET

26

6587741

LINK bucket

27

CYLINDER See Illustration BUCKET CYLINDER/ C3339 See Illustration BUCKET CYLINDER/ B18196 bucket

28

6665374

CHAIN lifting - available thru BOBCAT parts - not factory installed

29

6802217

BUSHING, PRESS FIT Use W/Link 6802218 only

30

6802588

BUSHING, PRESS FIT Use W/Link 6802218 only

Выбрано товаров: 31