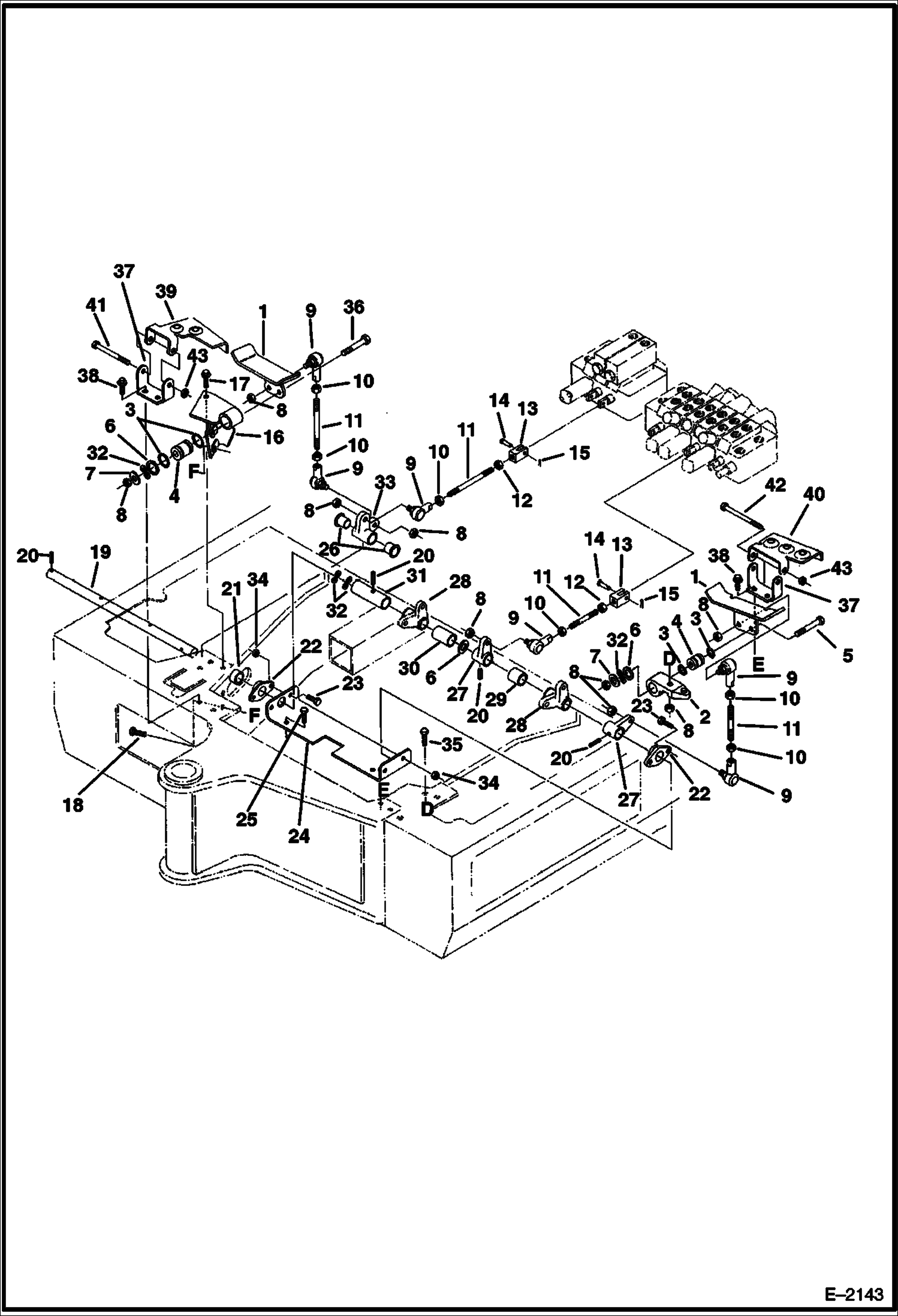
Запчасти Bobcat 220 BOOM SWING & AUXILIARY PEDAL CONTROLS

Схема запчастей Bobcat 220 - BOOM SWING & AUXILIARY PEDAL CONTROLS
FIT
1:1
100%

Артикул

Название

Примечание

Количество

1

6589584

PEDAL boom swing & auxiliary - Was 6586632 - A

2

6537481

MOUNT pivot

3

58K015

O-RING 10

4

6536545

SLEEVE

5

1CM1055

BOLT

6

6536802

WASHER

7

27E6

WASHER 5

8

49DM10

NUT

9

6536531

BALL JOINT

10

1DM10

NUT

11

6586636

ROD

12

6587431

NUT LH thread

13

6587430

CLEVIS LH thread

14

6536543

PIN

15

1F212

PIN

16

6587171

MOUNT

17

29CM1020

BOLT

18

29CM1025

BOLT

19

6586659

ROD

20

14J2124

ROLLPIN

21

6586666

SPACER

22

6536818

BEARING

23

1CM816

BOLT

24

6586658

PLATE mounting

25

1CM1020

BOLT

26

6536801

BUSHING

27

6586633

LEVER

28

6536831

LEVER See Illustration TRAVEL/STEERING LEVERS/ E2142

29

6586669

SPACER

30

6586668

SPACER

31

6586667

SPACER

32

6536803

WASHER wave spring

33

6587183

LEVER

34

1DM8

NUT

35

1CM1025

BOLT

36

1CM1055

BOLT

37

6586653

MOUNT pedal lock/foot rest

38

29CM816

SCREW

39

6586654

PLATE

40

6537640

PLATE

41

1CM885

BOLT

42

1CM8100

SCREW

43

49DM8

NUT

Выбрано товаров: 43