Запчасти Bobcat 220 JOYSTICK MANIFOLD HYDRAULIC SYSTEM

Схема запчастей Bobcat 220 - JOYSTICK MANIFOLD HYDRAULIC SYSTEM
FIT
1:1
100%

Артикул

Название

Примечание

Количество

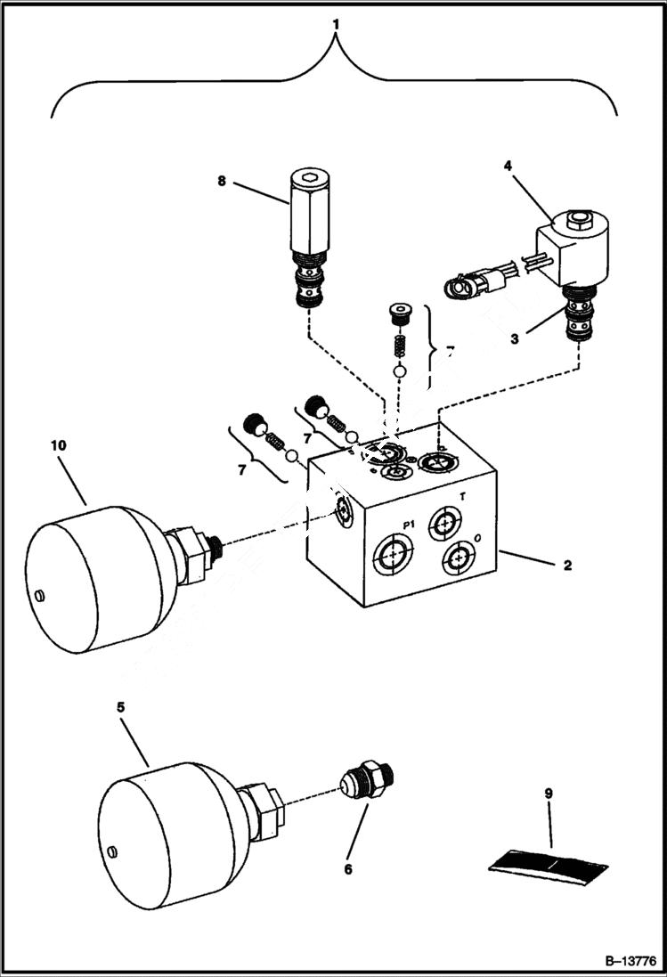
1

MANIFOLD NLA - joystick - W/Refs. 2-8 - order 6665015 - Was 6661346 - A

1

6665015

MANIFOLD joystick - W/Ref. 2-4, 7, 8 & 10

2

6662068

BLOCK manifold

3

6669534

SPOOL W/O coil - Was 6662069 - A

4

6669533

SOLENOID solenoid - Was 6662070 - A

5

ACCUMULATOR NLA - pre-charged - non-rechargeable - Order Ref. 1 - Was 6662071 - A

6

6662072

ADAPTER Use W/Ref. 5 only

7

6669538

CHECK VALVE assy. - include plug, spring & ball - Was 6662073 - B

8

6662074

VALVE pressure reducing

9

6662075

SEAL KIT includes all O-rings & back-up rings to repair a complete joystick manifold

10

6669537

ACCUMULATOR precharged - non-rechargeable - Was 6665016 - A

Выбрано товаров: 11