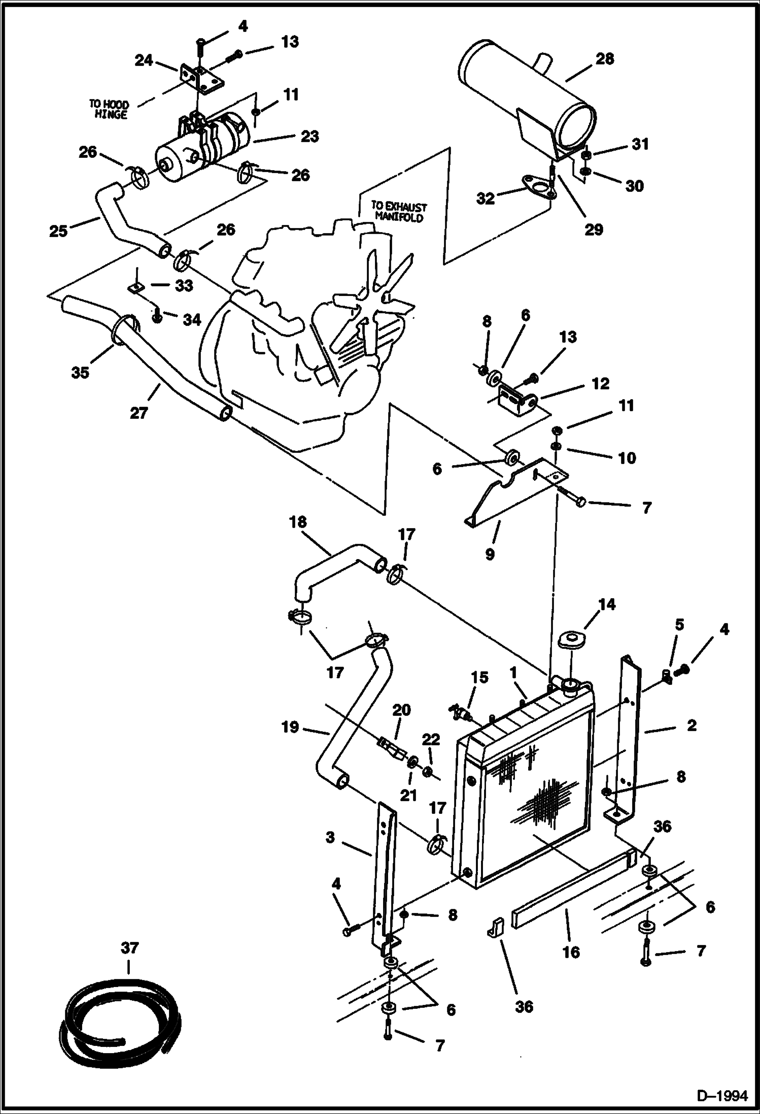
Запчасти Bobcat 220 RADIATOR, AIR CLEANER & MUFFLER MOUNTING POWER UNIT

Схема запчастей Bobcat 220 - RADIATOR, AIR CLEANER & MUFFLER MOUNTING POWER UNIT
FIT
1:1
100%

Артикул

Название

Примечание

Количество

1

6664487

RADIATOR W/Ref. 14 - Was 6662984 - A

2

6534784

MOUNT

3

6534785

MOUNT

4

1CM816

BOLT

5

30H30

CLAMP

6

6653763

MOUNT assy.

7

1CM1045

BOLT

8

39DM10

NUT

9

6537539

MOUNT

10

15EM80

WASHER

11

1DM8

NUT

12

6534787

MOUNT attaches to hood hinge

13

1CM1025

BOLT

14

6666606

RADIATOR CAP radiator - Was 6646545 - A

15

6513679

VALVE

16

INSULATION NLA - 17'' long - Order Ref. 37

17

42H16

CLAMP, HOSE 5

18

6534727

HOSE upper radiator

19

6534728

HOSE lower radiator

20

6535470

CLAMP

21

6EM60

WASHER, SPRING

22

1DM6

NUT

23

905282

AIR CLNR See Illustration ENGINE AIR CLEANER/ B17728

24

6587156

MOUNT attaches to hood hinge

25

6534730

HOSE

26

42H24

CLAMP-5 Was 6513595 - A

27

6534729

HOSE

28

6653777

MUFFLER spark arrestor

28

6664006

EXHAUST PURIFIER

29

6630195

STUD Was 6533138 - A

30

1EM100

WASHER

31

2DM10

NUT

32

3974507

GASKET

33

6623609

TAB sta-strap mounting

34

26GM8016

SCREW attaches to engine cover

35

6624289

STRAP, TIE

36

INSULATION NLA - 8'' long - Order Ref. 37

37

6554274

INSULATION bulk - sold per foot

Выбрано товаров: 38