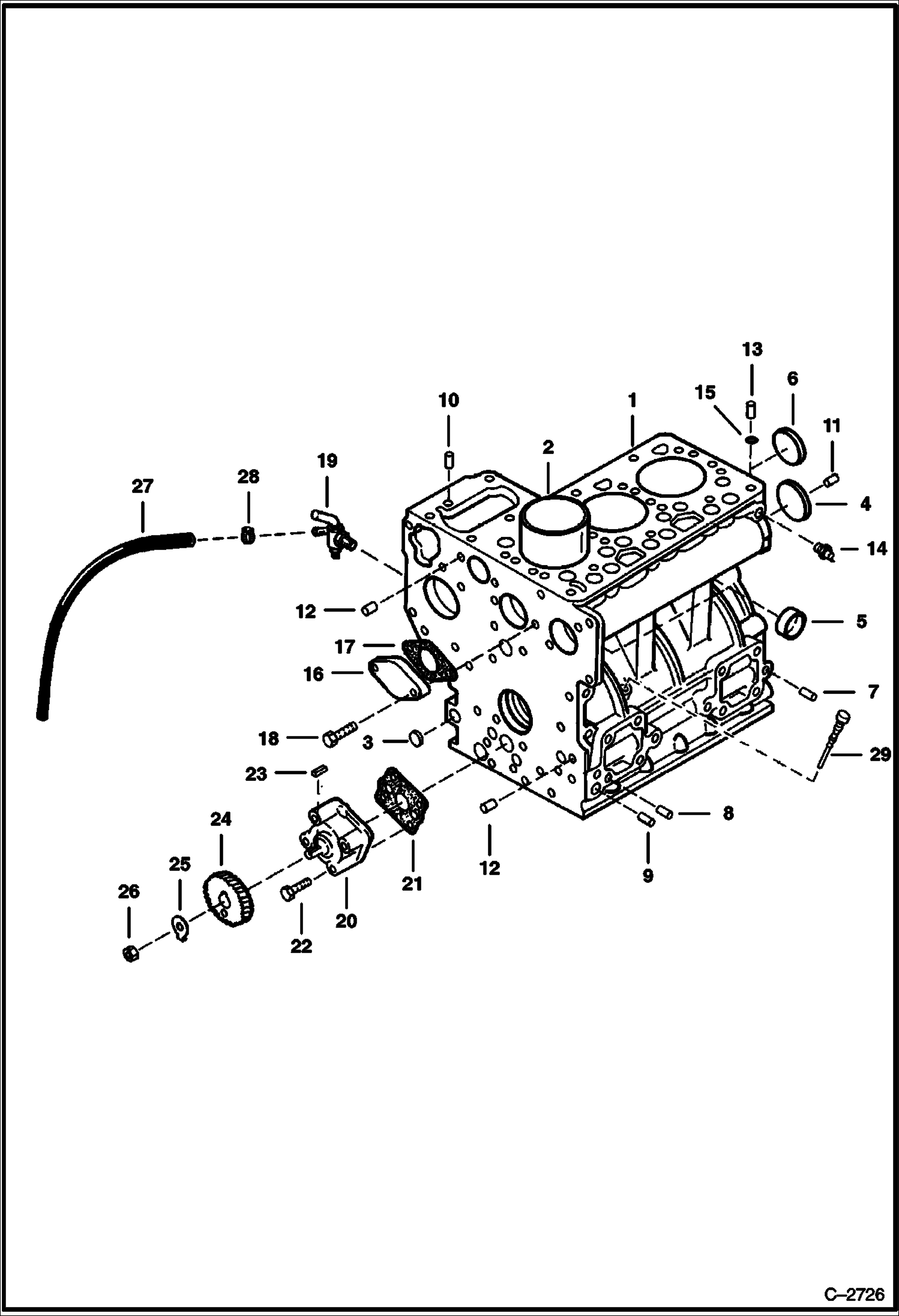
Запчасти Bobcat 220 CRANKCASE POWER UNIT

Схема запчастей Bobcat 220 - CRANKCASE POWER UNIT
FIT
1:1
100%

Артикул

Название

Примечание

Количество

1

CRANKCASE NLA - W/Ref. 2 -13 - Was 6630002 - A

2

6599985

LINER

3

6652572

PLUG

4

6652573

PLUG

5

3974033

CAP

6

3974433

PLUG

7

6598116

PLUG

8

6652574

PLUG Was 6598169 - A

9

6652575

PLUG Was 6598170 - A

10

3974394

PIN

11

21JM814

PIN dowel

12

3974039

PIN

13

3974037

PIN

14

6969775

SWITCH, OIL PRESSURE Was 6652576 - A

15

3974038

O RING See Illustration UPPER GASKET KIT/ C3243 included W/upper gasket kit

16

3974044

COVER

17

6666778

GASKET See Illustration LOWER GASKET KIT/ C3244 included W/lower gasket kit - Was 3974045B - A

18

6652580

BOLT

19

6672190

DRAINCOCK Was 6630177 - A

20

6652654

OIL PUMP Was 6598984 - A

21

6666773

GASKET See Illustration LOWER GASKET KIT/ C3244 included W/lower gasket kit - Was 6599108 - A

22

6599067

BOLT

23

6969805

KEY,FEATHER Was 15JM00410B - A

24

6653580

GEAR Was 6652655 - A

25

42HS04

CLAMP, HOSE Was 6515575 - A

26

27DM10

NUT

27

6577822

HOSE bulk - sold per foot

28

6657047

ADAPTER

Выбрано товаров: 28