Запчасти Bobcat 220 UPPER GASKET KIT POWER UNIT

Схема запчастей Bobcat 220 - UPPER GASKET KIT POWER UNIT
FIT
1:1
100%

Артикул

Название

Примечание

Количество

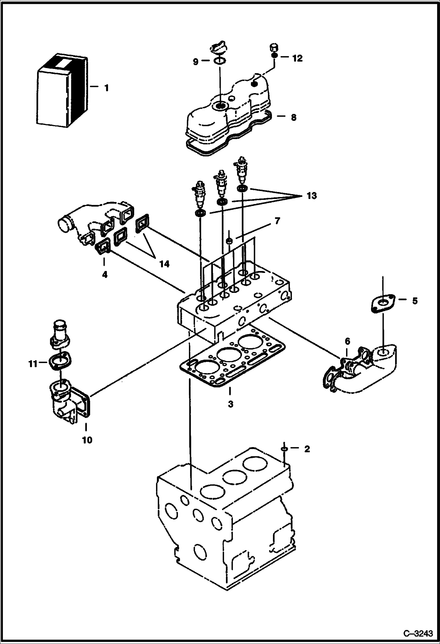
1

6668691

GASKET KIT upper - W/Refs. 2-14 - Was 6630548 - A

2

3974038

O RING

3

6666810

GASKET head - Was 6599994 - A

4

6666770

GASKET intake manifold - Was 3974147B - A

5

3974507

GASKET

6

6666796

GASKET exhaust manifold - Was 6652613 - A

7

3974162

SEAL valve stem

8

6599112

GASKET valve cover

9

3966602

O RING oil fill plug

10

6666777

GASKET Was 6599110 - A

11

6681757

GASKET THERMOSTAT Was 6666813 - A

12

6599116

GASKET valve cover nut

13

3974255

WASHER injector

14

6666771

GASKET intake manifold - Was 3974148B - A

Выбрано товаров: 0