Запчасти Bobcat 220 FUEL SYSTEM POWER UNIT

Схема запчастей Bobcat 220 - FUEL SYSTEM POWER UNIT
FIT
1:1
100%

Артикул

Название

Примечание

Количество

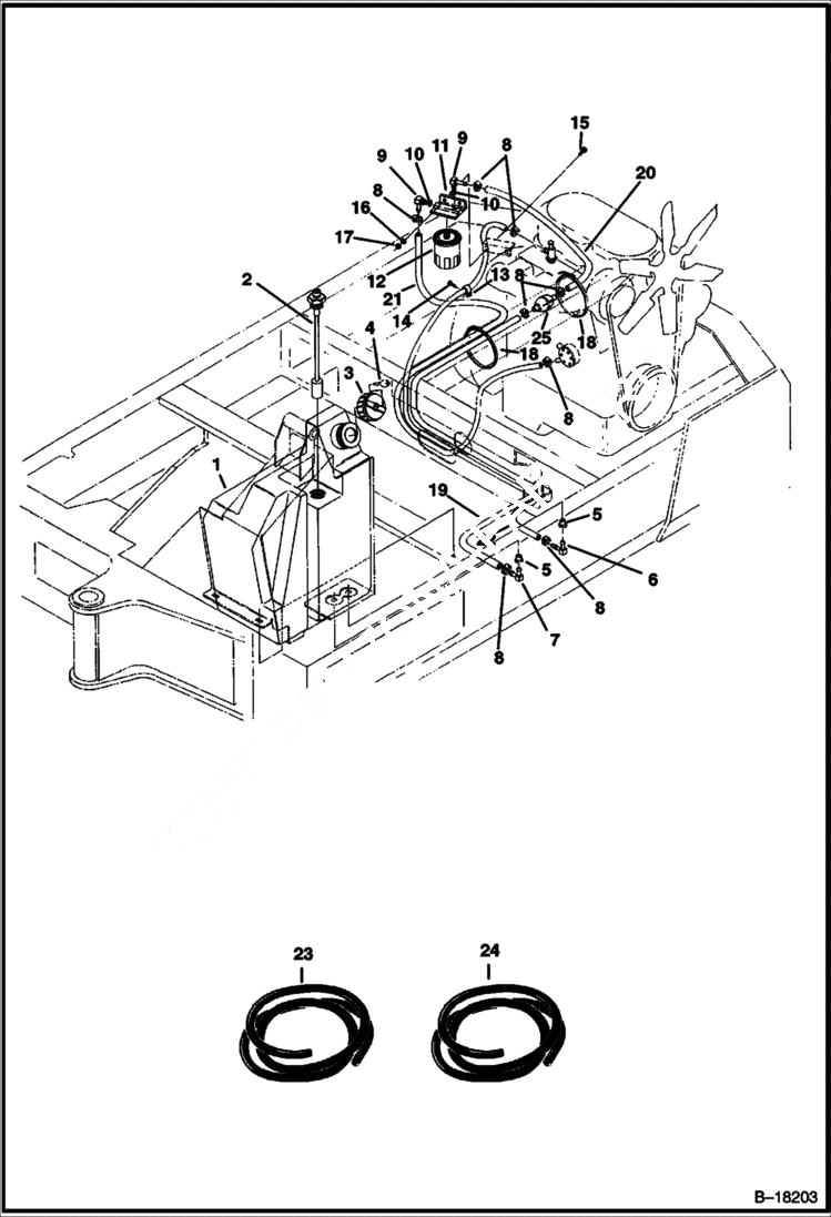
1

TANK NLA - fuel - Was 6586798 - A

2

7216515

SENSOR, FUEL fuel - includes O-Ring - Was 6680451 - A

2

79K14

O RING 10

3

6661696

CAP, FUEL LOCKING locking - order key separately

4

6587458

KEY

5

6553411

BUSHING 0.38'' ID

6

6630041

ELBOW

7

6553412

ELBOW

8

42HS04

CLAMP, HOSE Was 6515575 - A

9

ELBOW NLA - W/Ref. 10 - flat boss face - Was 6657083 - A

9

6715183

ELBOW check boss face to determine correct replacement o-ring

10

79K5

O RING 10 flat boss face

10

99K5

O-RING tapered boss face

11

6667353

FILTER ASSY W/Ref. 12 - Was 6657020 - A

11

6658180

PLUG, BLEED

12

6667352

FILTER, FUEL W/SEPARATOR 12 Was 6647773 - A

13

30H30

CLAMP

14

1CM1060

BOLT

15

1CM820

BOLT

16

15EM80

WASHER

17

1DM8

NUT

18

6624289

STRAP, TIE

19

HOSE NLA - 44'' (1118mm) long - Order Ref. 22

20

HOSE NLA - 10'' (254mm) long - Order Ref. 22

21

HOSE NLA - 34'' (864mm) long - Order Ref. 22

22

HOSE NLA - 48'' (1219mm) long - Order Ref. 23

23

6577822

HOSE bulk - sold per foot

24

6578169

HOSE bulk - sold per foot - 0.19'' ID

25

6657734

PUMP, PRIMER HAND 124 mm (4.88'') long

Выбрано товаров: 29