Качественные детали и логистика
Оригинальные и аналоговые запчасти с доставкой по России, Казахстану и Беларуси
©2022 PartSell ООО "Система" ИНН 2463123282 ОГРН 1212400004838
Центральный офис: г. Красноярск, Академика Киренского, д.87, пом.4
Телефон: 8 (800) 777-65-74 Email: zakaz@partsell.ru
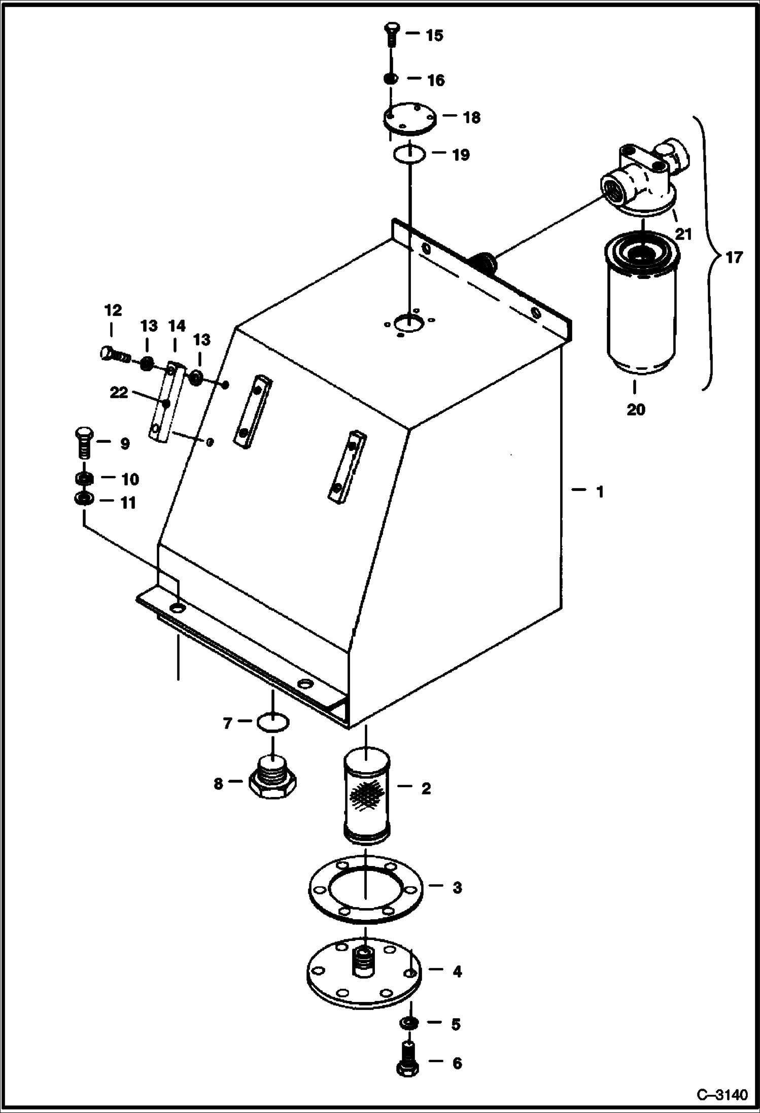
HYDRAULIC TANK & FILTER (S/N 508211001-11308)
№
Артикул
Название
Примечание
Количество
1
6533807
TANK
2
6653106
SCREEN Filter
3
6534834
GASKET Was 6535140 - A
4
6535141
PLATE
5
6EM80
WASHER, SPRING
6
1CM820
BOLT
7
6535142
O-RING
8
6535143
PLUG
9
1CM1020
10
6EM100
WASHER
11
15EM100
12
6535144
13
GASKET NLA - Was 6535145 - A
14
6535146
GAUGE Sight - W/Ref. 12, 13 & 22
15
BOLT Was 6535147 - A
16
WASHER, SPRING Was 6535148 - A
17
FILTER NLA - assy - W/Ref. 20 & 21 - Was 6655072 - A
18
6535149
19
6535150
20
6653336
ELEMENT
21
6655073
HEAD Was 6653311 - A
22
BALL NLA - Was 6534748 - A
Выбрано товаров: 0