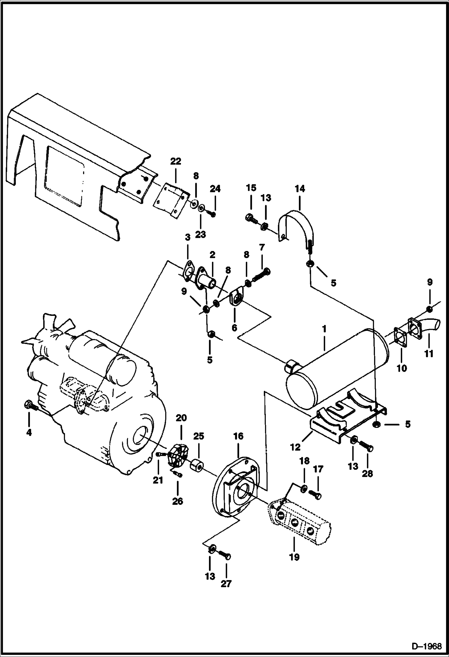
Запчасти Bobcat 225 MUFFLER & POWER TAKE OFF POWER UNIT

Схема запчастей Bobcat 225 - MUFFLER & POWER TAKE OFF POWER UNIT
FIT
1:1
100%

Артикул

Название

Примечание

Количество

1

6653955

MUFFLER non-spark arrestor

1

6664005

PURIFIER exhaust

2

6655405

PIPE flange - Was 6650432 - A

3

3974507

GASKET See Illustration UPPER GASKET KIT/ C3221 INCLUDED W/UPPER GASKET KIT

4

1CM1030

BOLT

5

1DM10

NUT

6

6651933

CLAMP

7

6651934

BOLT

8

15EM80

WASHER

9

1DM8

NUT

10

6727753

GASKET See Illustration LOWER GASKET KIT/ C3220 INCLUDED W/LOWER GASKET KIT - Was 6653956 - A

11

PIPE NLA - Exhaust - Was 6535660 - A

12

6535658

BRACKET muffler

13

6EM100

WASHER

14

6537535

CLAMP Was 6535659 - A

15

1CM1020

BOLT

16

6535661

MOUNT pump

17

1CM1025

BOLT

18

15EM100

WASHER

19

6652840

PUMP See Illustration GEAR PUMP/ B13031

20

6660771

COUPLING pump - W/Ref. 21 & 26 - Was 6657285 - A

21

6537441

BOLT Was 7GM01240B - A

22

6533646

MOUNT air cleaner

23

6EM80

WASHER, SPRING

24

1CM825

BOLT

25

COUPLING NLA - Was 6535625 - A

26

6537500

BOLT Was 7GM01235B - A

27

5CM1025

BOLT

28

5CM1030

BOLT

Выбрано товаров: 29