Запчасти Bobcat 225 CYLINDER HEAD POWER UNIT

Схема запчастей Bobcat 225 - CYLINDER HEAD POWER UNIT
FIT
1:1
100%

Артикул

Название

Примечание

Количество

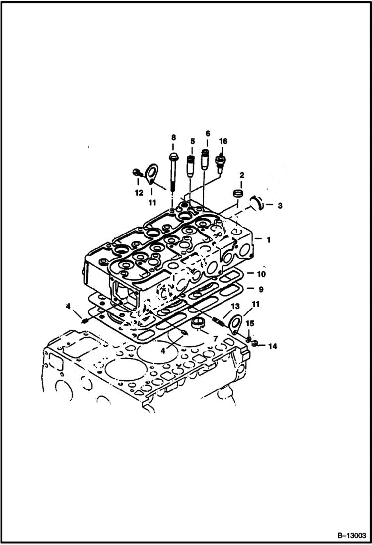
1

NLA - W/Refs. 2-7 - Order 6660965 - Was 6653800 - A

1

6660965

HEAD ASSY See Illustration ROCKER ARM & VALVES/ B18245 Head Assy. - Refs. 1 -8, 13 - Refs. 1 - 7 & 11

1

6660965REM

HEAD, KUBOTA, D1402

2

3974432

PLUG

3

3974433

PLUG

4

6598116

PLUG Was 6652797 - A

5

6655154

GUIDE Was 6653802 - A

6

6969990

GUIDE exhaust valve - Was 6653803 - A

7

6630369

CHAMBER

8

6653804

BOLT

9

6666808

GASKET See Illustration UPPER GASKET KIT/ C3221 INCLUDED W/UPPER GASKET KIT - WAS6646702 - A

10

6598707

SHIM .0078 - Not Included in Gasket Kit

11

3974882

HOOK

12

1CM816

BOLT Was 4CM816 - A

13

6598156

STUD Was 6653799 - A

14

6652792

NUT

15

6EM80

WASHER, SPRING

16

6653953

SWITCH

Выбрано товаров: 18