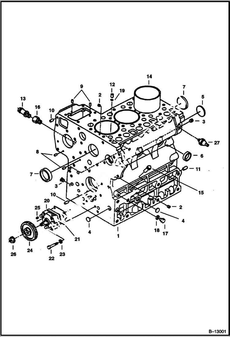
Запчасти Bobcat 225 CRANKCASE POWER UNIT

Схема запчастей Bobcat 225 - CRANKCASE POWER UNIT
FIT
1:1
100%

Артикул

Название

Примечание

Количество

1

6653789

CRANKCASE W/Ref. 2-16

2

6652574

PLUG

3

6652575

PLUG

4

3974388

PLUG

5

4FM45

PLUG

6

3974389

CAP, SEALING

7

3974390

PLUG

8

3974393

PIN straight

9

3974394

PIN

10

3974395

PIN

11

3974868

PIN

12

3974037

PIN

13

3974677

PIPE Was 6653791 - A

14

6653792

LINER

15

6653793

PIN

16

6653794

JOINT

17

6655884

PLUG Was 3974933B - A

18

3974095

MET-GASK See Illustration UPPER GASKET KIT/ C3221 INCLUDED W/UPPER GASKET KIT

19

3974038

O RING See Illustration UPPER GASKET KIT/ C3221 INCLUDED W/UPPER GASKET KIT

20

3974455

OIL PUMP Was 6653878 - A

21

6666782

GASKET See Illustration LOWER GASKET KIT/ C3220 INCLUDED W/LOWER GASKET KIT - WAS 3974456B - A

22

1CM648

BOLT

23

6EM60

WASHER, SPRING

24

3975441

GEAR, CAMSHAFT

25

6969805

KEY,FEATHER Was 15JM00410B - A

26

6653888

NUT

27

6653952

OIL SWITCH

Выбрано товаров: 27