Запчасти Bobcat 225 GOVERNOR POWER UNIT

Схема запчастей Bobcat 225 - GOVERNOR POWER UNIT
FIT
1:1
100%

Артикул

Название

Примечание

Количество

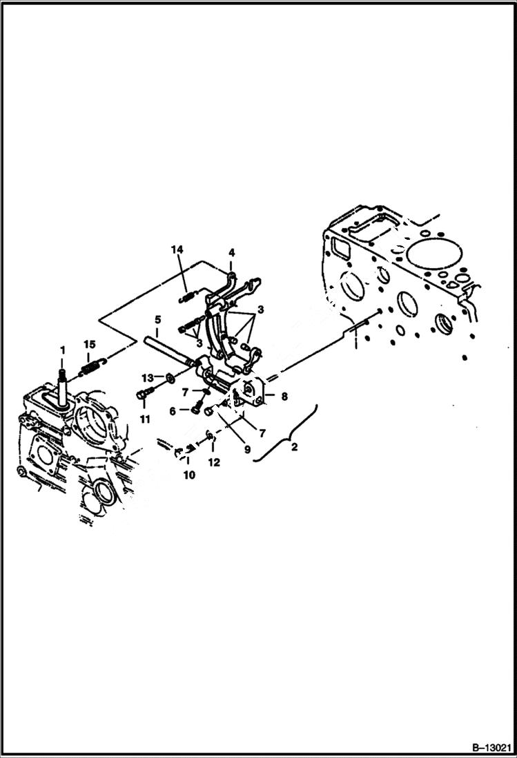
1

6653908

LEVER

2

6653911

LEVER ASSY. Ref. 3-9

3

6653912

LEVER

4

3974966

LEVER

5

3974658

SHAFT

6

3974659

BOLT

7

6EM60

WASHER, SPRING

8

6653916

HOLDER

9

3974662

BOLT Was 3974192 - A

10

6598355

BOLT

11

4CM628

BOLT

12

1EM80

WASHER Was 2EM8 - A

13

1EM60

WASHER

14

3974967

SPRING

15

6653917

SPRING

Выбрано товаров: 15