Запчасти Bobcat 225 HEATER With 3 Speed Fan Motor MAIN FRAME

Схема запчастей Bobcat 225 - HEATER With 3 Speed Fan Motor MAIN FRAME
FIT
1:1
100%

Артикул

Название

Примечание

Количество

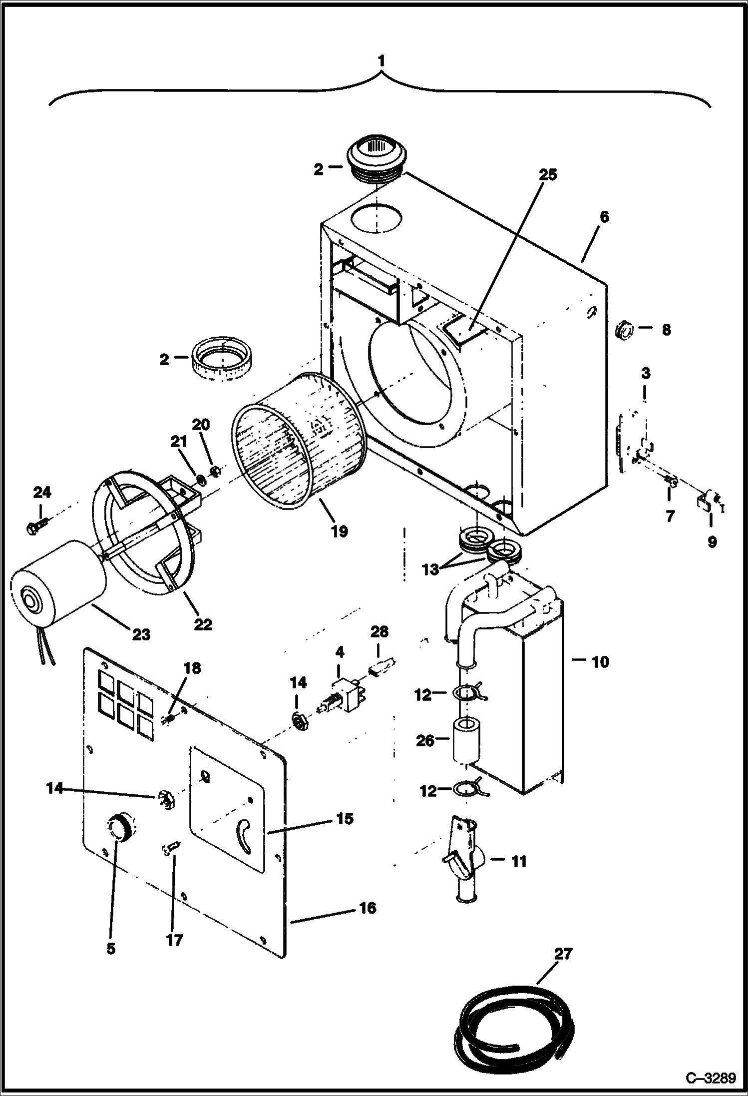
1

HEATER NLA - 3 speed - Was 6660520 - A

2

6632587

BALL

3

6632584

RESISTOR

4

6660659

SWITCH 3 Speed

5

6630746

KNOB Switch

6

HOUSING NLA - Was 6660653 - A

7

6654195

BOLT #7 x 1/2 Sheet Metal

7

87G1006

SCREW #10 x 3/8 Machine

8

6654196

GROMMET

9

6660654

CONNECTOR

10

6654790

CORE Heater

11

6654792

VALVE Shutoff

12

6654192

CLAMP

13

6641056

GROMMET

14

6624435

NUT

15

DECAL NLA - Was 6660655 - A

16

6660657

COVER

17

85G808

SCREW

18

6641066

SCREW

19

6648468

FAN Blower

20

6641073

NUT

21

6641072

WASHER

22

6648467

MOUNT Motor

23

6660658

MOTOR 12V-3 speed

24

6641062

SCREW

25

6660656

DECAL

26

HOSE NLA - 4'' - Order Ref. 27

27

889269

HOSE BULK/FT Bulk - Sold Per Foot

28

WIRE NSS - 14 Ga. - Purchase Locally

Выбрано товаров: 29