Запчасти Bobcat 225 UNDERCARRIAGE UNDERCARRIAGE

Схема запчастей Bobcat 225 - UNDERCARRIAGE UNDERCARRIAGE
FIT
1:1
100%

Артикул

Название

Примечание

Количество

1

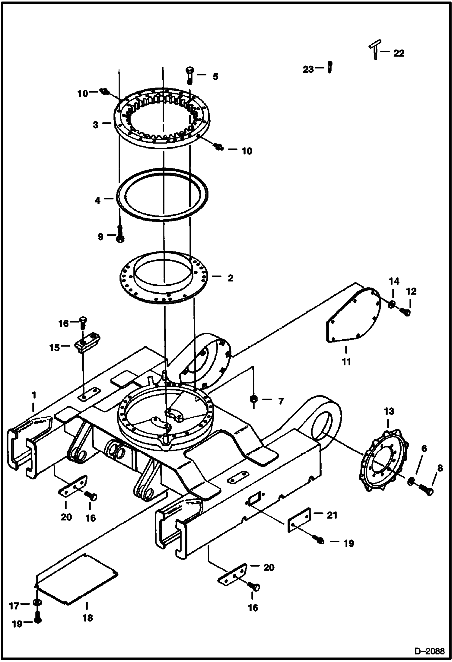
6535690

TRACK FRAME

2

6535548

FLANGE

3

SWING CIRCLE NLA - assy - W/Ref. 4 - 121 teeth on gear - Was 6652016 - A

4

6652960

SEAL Swing Circle

5

7CM1280

BOLT Was 7CM01275B - B

6

6EM120

WASHER

7

47DM12

NUT, FLANGE Was 49DM00010B - D

8

1CM1235

BOLT Use W/Sprocket 6534233 & NLA/6534232

8

1CM1250

BOLT Use W/Sprocket 6587308

9

7CM1260

BOLT

10

6652970

GREASE FITTING Was 6533968 - A

11

6535547

COVER

12

29CM820

SCREW Was 1CM00820B - B

13

6534233

SPROCKET 12 tooth - rubber track - except for rubber track P/N 6663906 - See remarks for steel track also

13

SPROCKET NLA - 21 Tooth - Order 6587308 & (9) 1CM01250B - Was 6534232 - A

13

6587308

SPROCKET See BTIE-030 21 tooth - for all steel track and for rubber track 6663906 - the rubber track P/N 6663906 is marked on the inside surface of the track

14

15EM80

WASHER

15

6534235

BRACKET Rubber Track- except for rubber track P/N 6663906 - See remarks for steel track also

15

6534234

BRACKET For all Steel Track and for rubber track 6663906 - the rubber track P/N 6663906 is marked on the inside surface of the track

16

1CM1025

BOLT

17

15EM100

WASHER

18

COVER NLA - Was 6535546 - A

19

29CM1020

BOLT Was 1CM01020B - B

20

6534236

PLATE for Steel Tracks

20

6537618

PLATE For All Rubber Tracks

21

6533656

COVER

21

6539292

COVER

22

6586494

PIN Alignment - Service tool for Aligning Swing Bearing when upperstructure has been removed from undercarriage

23

6535902

BOLT Alignment - Service Tool for Aligning Swing Bearing when upperstructure has been removed from undercarriage

Выбрано товаров: 0