Запчасти Bobcat 225 FRONT IDLER UNDERCARRIAGE

Схема запчастей Bobcat 225 - FRONT IDLER UNDERCARRIAGE
FIT
1:1
100%

Артикул

Название

Примечание

Количество

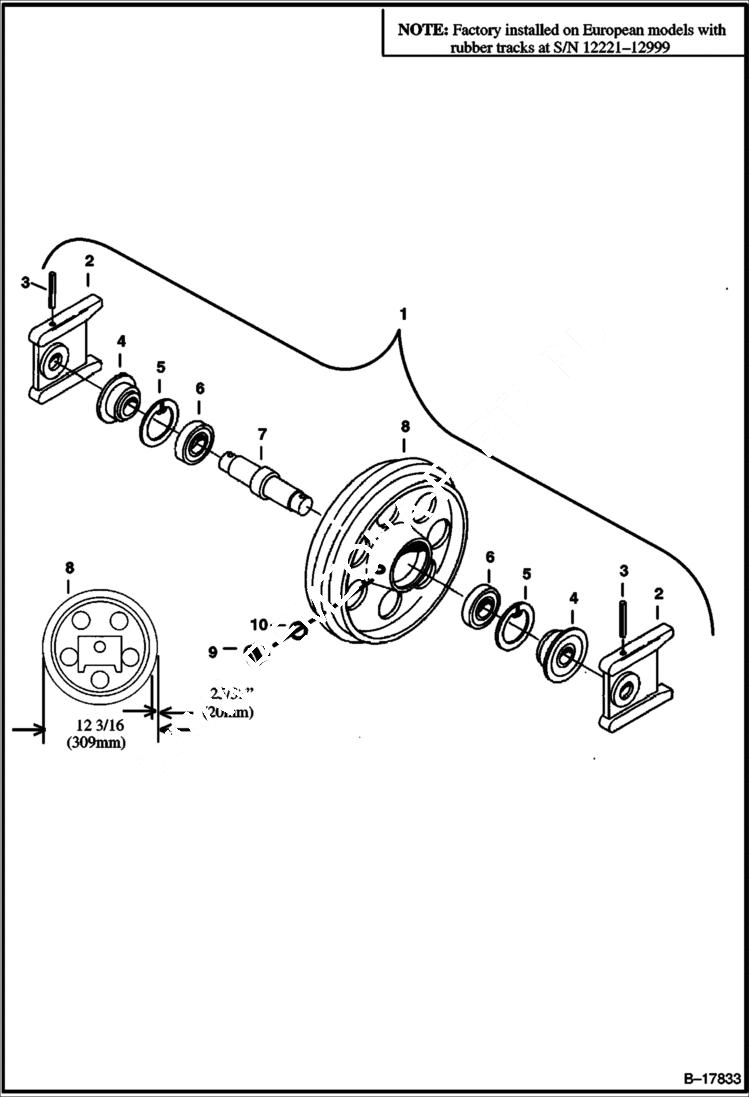
1

6808137

FRONT IDLER Assy. - Ref. 2-8

2

6588995

BLOCK W/12-3/16'' (309mm) diameter

3

2JM1060

PIN

4

6717802

SEAL

5

7JM72

SNAP RING

6

6684339

BEARING Was 6655856 - A

7

6588997

SHAFT

8

IDLER NLA - Order 6814881 & (6679881 seal qty. 2) - W/12-3/16'' (309mm) diameter - check outer diameter before ordering - Was 6807910 - A

8

6814881

IDLER

9

90K3

PLUG W/Ref.10 - Was 90KV3 - D

10

95K4

O-RING

Выбрано товаров: 11