Качественные детали и логистика
Оригинальные и аналоговые запчасти с доставкой по России, Казахстану и Беларуси
©2022 PartSell ООО "Система" ИНН 2463123282 ОГРН 1212400004838
Центральный офис: г. Красноярск, Академика Киренского, д.87, пом.4
Телефон: 8 (800) 777-65-74 Email: zakaz@partsell.ru
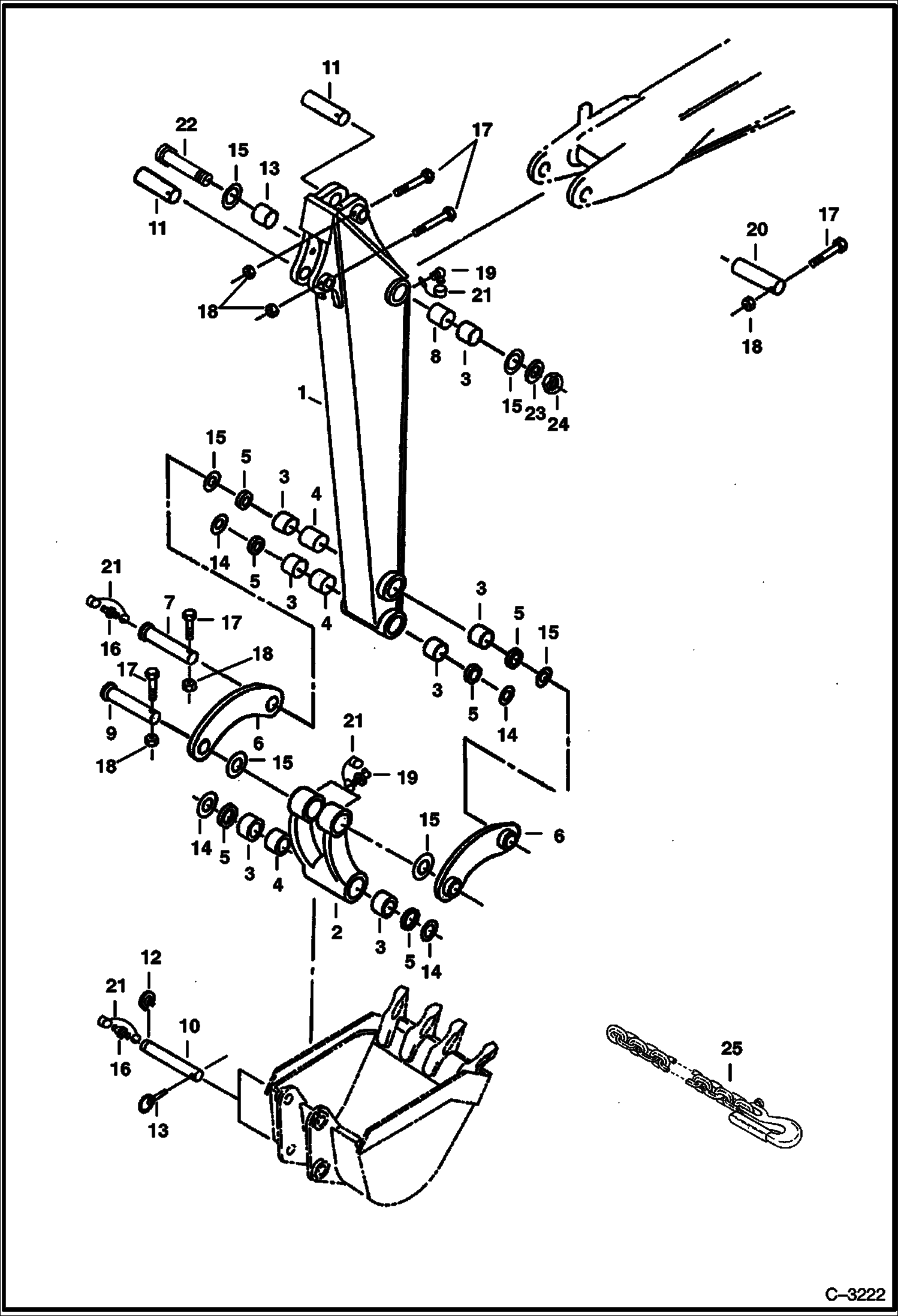
ARM & BUCKET LINK
№
Артикул
Название
Примечание
Количество
1
6586406
ARM Was 6537464 - A
LONG ARM Not Available for Model 225
2
6534097
LINK W/Ref. 3-5
3
6539825
BUSHING, PRESS FIT Was 6534095 - A
4
6534094
SPACER
5
6652915
SEAL, OIL Dust
6
6534101
LINK
7
6534174
PIN
8
6534092
9
6534175
10
PIN See BTIE-081
11
6534165
12
6534154
RING
13
6560382
PIN, LOCK Lock Ring
14
6534111
WASHER
15
6535313
SHIM
16
10H25
FITTING, GREASE 5
17
1CM1065
BOLT
18
49DM10
NUT Was 39DM00010B - B
19
12H15
20
6534169
PIN Arm Mounting
21
6652943
COVER grease fitting
22
6587225
23
1EM300
24
39DM30
NUT Was 40DM30 - A
25
6665374
CHAIN Lifting - Available Thru Chicago Parts - Not Factory Installed
Выбрано товаров: 0