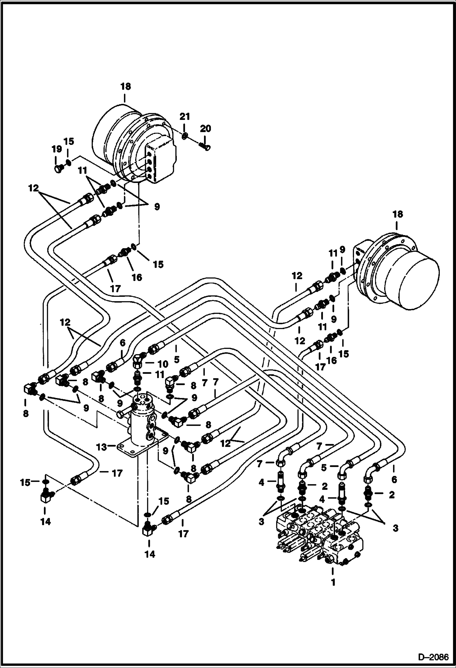
Запчасти Bobcat 225 HYDRAULIC CIRCUITRY Valve to Swivel Joint to Travel Motor HYDRAULIC SYSTEM

Схема запчастей Bobcat 225 - HYDRAULIC CIRCUITRY Valve to Swivel Joint to Travel Motor HYDRAULIC SYSTEM
FIT
1:1
100%

Артикул

Название

Примечание

Количество

1

6656151

VALVE See Illustration CONTROL VALVE ASSEMBLY/ B18548 - control

2

15K6

ADAPTER W/Ref. 3

3

79K8

O RING 10

4

16K6

FITTING W/Ref. 3

5

6536783

HOSE

6

6539835

HOSE Was 6537699 - A

7

6536781

HOSE

8

6657310

ELBOW W/Ref. 9

9

6655250

O-RING

10

12K6

UNION 45 degree - Was 11K000006B - B

11

6654894

ADAPTER W/Ref. 9

12

6534008

HOSE

13

SWIVEL JOINT See Illustration SWIVEL JOINT/ C3160 See Illustration SWIVEL JOINT/ PE3057 See BTIE-031 NLA - Was 6534250 - A

14

6657392

ELBOW W/Ref. 15

15

6655244

O-RING

16

6654377

ADAPTER W/Ref. 15

17

6534010

HOSE

18

See Illustration TRAVEL MOTOR/ D1974 See Illustration TRAVEL MOTOR/ D2104 drive

19

6653022

PLUG W/Ref. 15

20

1CM1230

BOLT

21

6EM120

WASHER

Выбрано товаров: 21