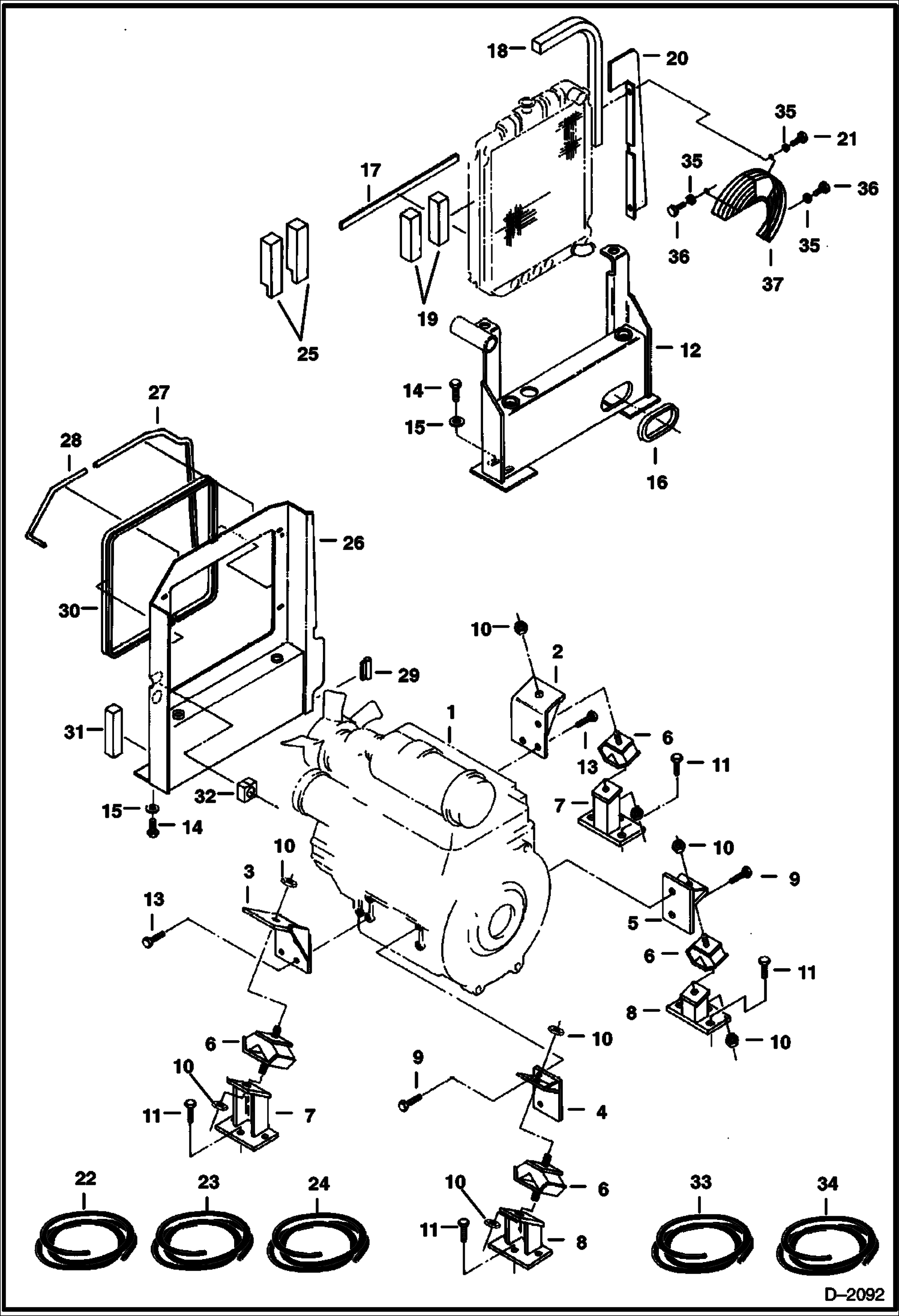
Запчасти Bobcat 225 ENGINE MOUNTING POWER UNIT

Схема запчастей Bobcat 225 - ENGINE MOUNTING POWER UNIT
FIT
1:1
100%

Артикул

Название

Примечание

Количество

1

ENGINE NLA - Includes Fan, Intake Manifold, Exhaust Manifold, Starter, Flywheel and Flywheel Housing - Order 6657113REM - Was 6657113 - A

1

SHORT BLOCK NLA

1

6657113REM

ENGINE, KUBOTA D1402

1

6657397

GASKET KIT See Illustration UPPER GASKET KIT/ C3221 upper - head gasket

1

6657398

GASKET KIT See Illustration LOWER GASKET KIT/ C3220 lower

2

6535654

MOUNT

3

6535655

MOUNT

4

6535653

MOUNT

5

6535652

MOUNT

6

6534256

MOUNT

7

6535657

MOUNT

8

6535656

MOUNT

9

5CM1435

BOLT

10

49DM12

NUT Was 39DM00012B - B

11

1CM1235

BOLT Was 1CM01225B - D

12

6537530

MOUNT

13

6CM1230

BOLT

14

1CM1025

BOLT

15

15EM100

WASHER

16

MOULDING NLA - Order Ref. 22

17

INSULATION NLA - Order Ref. 23

18

INSULATION NLA - Order Ref. 24

19

INSULATION NLA - Order Ref. 24

20

6535314

SHIELD

21

1CM620

BOLT Was 1CM00610B - D

22

6654139

MOULDING bulk - sold per foot

23

SEAL NLA - bulk - Sold Per Foot - Was 6555026 - A

24

6554274

INSULATION Bulk - Sold Per Foot

25

6536198

INSULATION

26

6539381

MOUNT

27

MOULDING NLA - 32 inch. - Order Ref. 22

28

MOULDING NLA - 13.5 inch. - Order Ref. 22

29

MOULDING NLA - 14.5 inch. - Order Ref. 33

30

MOULDING NLA - 67 inch. - Order Ref. 34

31

INSULATION NLA - 11 inch. - Order Ref. 24

32

6539667

INSULATION

33

6576556

MOULDING Bulk - Sold Per Foot

34

6555351

SEAL bulk - sold per foot

35

25E13

WASHER 5

36

1CM616

SCREW

37

GUARD NLA - Fan - Was 6538974 - A

Выбрано товаров: 41