Запчасти Bobcat 225 ROCKER ARM & VALVES POWER UNIT

Схема запчастей Bobcat 225 - ROCKER ARM & VALVES POWER UNIT
FIT
1:1
100%

Артикул

Название

Примечание

Количество

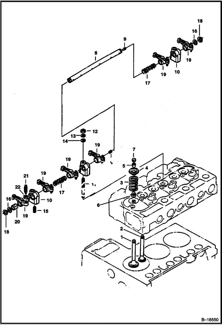
1

6653828

VALVE Inlet

2

6653829

VALVE Exhaust

3

3974514

SPRING 5

4

3974515

RETAINER

5

6684874

COLLAR valve spring - set of 2 - Was 3974516B valve spring - set of 2 - Was 3974516B - A

7

CAP

8

3975009

SHAFT rocker arm - Also Order (2) 5CM812 bolt, (2) 6667451 plain washer, (2) 6667422 spring washer, (1) 6667461 spring pin and (2) 3974524 washer

9

25GM8010

SCREW

10

3974521

MOUNT

11

6653832

STUD

12

6652792

NUT

13

6EM80

WASHER, SPRING

14

1EM80

WASHER Was 2EM8 - A

15

3974523

SCREW

16

3974524

WASHER

17

6653833

SPRING

18

5JM14

SNAP RING

19

6655870

ROCKER ARM W/Ref. 20-22 - Was 3975438B - A

20

3974528

BUSHING

21

3974920

SCREW Was 3974526B - A

22

2DM8

NUT

Выбрано товаров: 21