Запчасти Bobcat 225 OIL PAN POWER UNIT

Схема запчастей Bobcat 225 - OIL PAN POWER UNIT
FIT
1:1
100%

Артикул

Название

Примечание

Количество

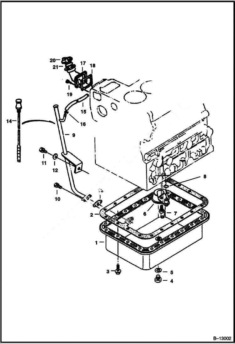
1

6653796

OIL PAN

2

6666786

GASKET See Illustration LOWER GASKET KIT/ C3220 included W/lower gasket kit - Was 6653797 - A

3

6653798

BOLT

4

3974402

PLUG Was 6652583 - A

5

6680484

GASKET See Illustration LOWER GASKET KIT/ C3220 Was 3974403 - B

6

6655194

SCREEN, OIL Was 6653876 - A

7

1CM814

BOLT Was 4CM814 - A

8

3966514

O'RING See Illustration LOWER GASKET KIT/ C3220 included W/lower gasket kit

9

6653957

GUIDE

10

1CM616

SCREW Was 4CM616 - A

11

6653958

BOLT

13

6650431

GASKET See Illustration LOWER GASKET KIT/ C3220 included W/lower gasket kit

13

42DM8

NUT

14

6650432

DIPSTICK

15

6692951

PIPE Was 6650433 - A

16

6654718

CLAMP Was 6650434 - A

17

FLANGE NLA - Oil Filter - Was 3974980B - A

18

6666783

GASKET See Illustration LOWER GASKET KIT/ C3220 included W/lower gasket kit - Was3974601B - A

19

6652580

BOLT

20

6685924

CAP oil filler - Was 6652653 - A

21

6684782

O-RING See Illustration LOWER GASKET KIT/ C3220 - Included W/lower gasket kit - Was 3966602 - A

Выбрано товаров: 21