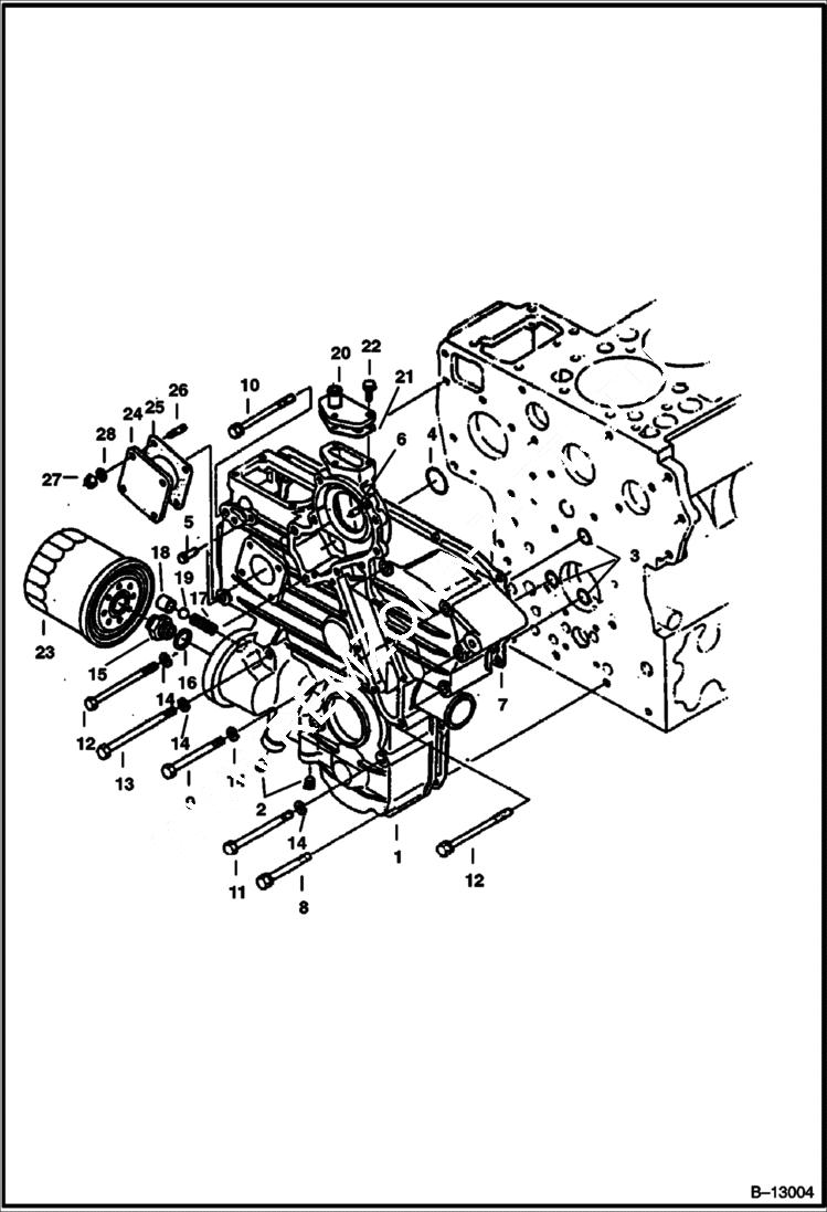
Запчасти Bobcat 225 GEARCASE POWER UNIT

Схема запчастей Bobcat 225 - GEARCASE POWER UNIT
FIT
1:1
100%

Артикул

Название

Примечание

Количество

1

6644973

GEARCASE W/Ref. 2-6

2

6667425

PLUG Was 6652591 - A

3

3966515

O RING See Illustration LOWER GASKET KIT/ C3220 included W/lower gasket kit

4

3966530

O RING See Illustration LOWER GASKET KIT/ C3220 included W/lower gasket kit

5

6652592

PIN

6

3974395

PIN

7

6666800

GASKET See Illustration LOWER GASKET KIT/ C3220 included W/lower gasket kit - Was 6653806 - A

8

3974888

BOLT

9

1CM870

BOLT

10

6653807

BOLT

11

1CM880

BOLT

12

6653808

BOLT

13

1CM895

BOLT

14

6EM80

WASHER, SPRING

15

6653809

CONNECTOR

16

15EM180

WASHER

17

6652652

SPRING

18

3974893

SEAT

19

10J13

BALL

20

3974894

FLANGE

21

6666803

GASKET See Illustration LOWER GASKET KIT/ C3220 included W/lower gasket kit - Was 3974895B - A

22

1CM620

BOLT Was 4CM620 - A

23

6675517

FILTER, OIL ENG 12 Was 3974896B - A

24

3974460

COVER

25

6714543

GASKET See Illustration LOWER GASKET KIT/ C3220 included W/lower gasket kit - Was 6666785 - A

26

6652764

STUD

27

1DM6

NUT

28

6EM60

WASHER, SPRING

Выбрано товаров: 28