Запчасти Bobcat 225 SEAT MOUNTING KIT For Installing Suspension Seat ACCESSORIES & OPTIONS

Схема запчастей Bobcat 225 - SEAT MOUNTING KIT For Installing Suspension Seat ACCESSORIES & OPTIONS
FIT
1:1
100%

Артикул

Название

Примечание

Количество

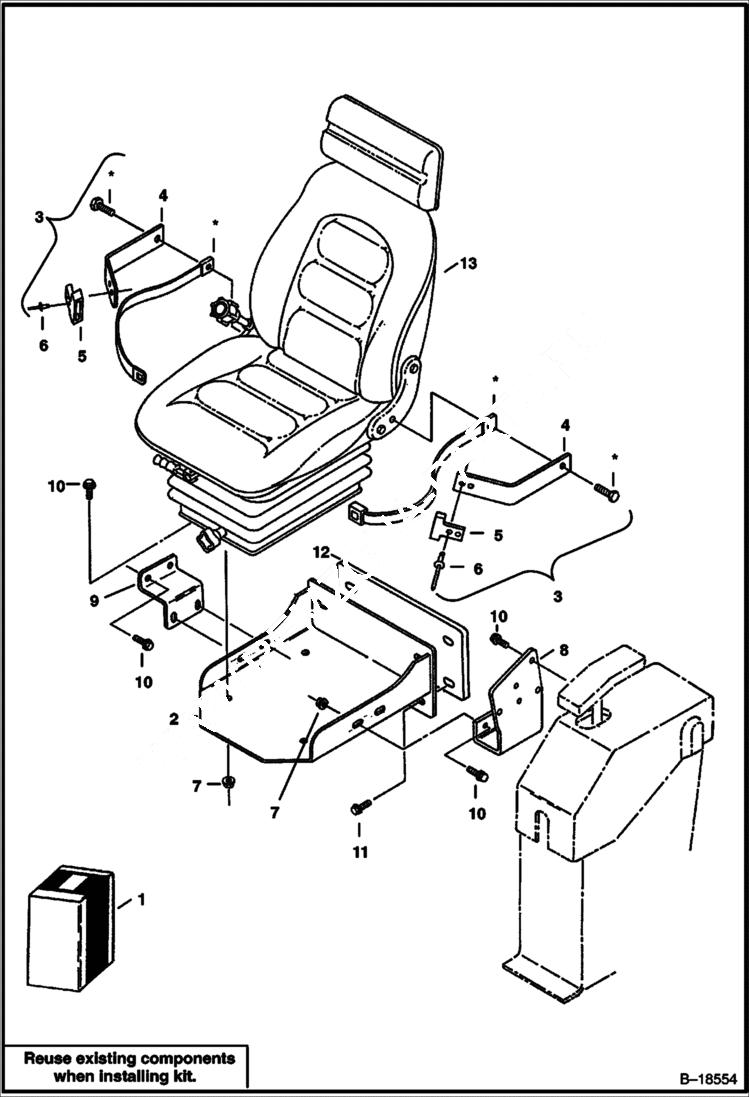
1

6587039

KIT Seat Mounting - W/Refs. 2 -12

2

6538710

MOUNT

3

GUIDE ASSY. NLA - Seat Belt - W/Ref. 4-6 - Order 6539095, (2) 6630207 & (2) 6565355 - Was 6539096 - A

4

GUIDE NSS - Was 6539095

5

GUIDE NLA - Order 6703703 - Was 6565355

6

6630207

RIVET 5

7

42DM8

NUT

8

6538739

BRACKET

9

6539826

BRACKET

10

29CM816

SCREW

11

29CM1030

BOLT

12

6587155

INSULATION

13

SEAT See Illustration SEAT/ B18552 - NLA - Complete - cloth covered - not supplied with kit - order separately - order 6685657, redrill mounting holes as required - Was 6672519 - A

13

6660414

SEAT See Illustration SEAT/ B18552 complete - vinyl covered - not supplied with kit - order separately

Выбрано товаров: 14