Запчасти Bobcat 225 UNDERCARRIAGE UNDERCARRIAGE

Схема запчастей Bobcat 225 - UNDERCARRIAGE UNDERCARRIAGE
FIT
1:1
100%

Артикул

Название

Примечание

Количество

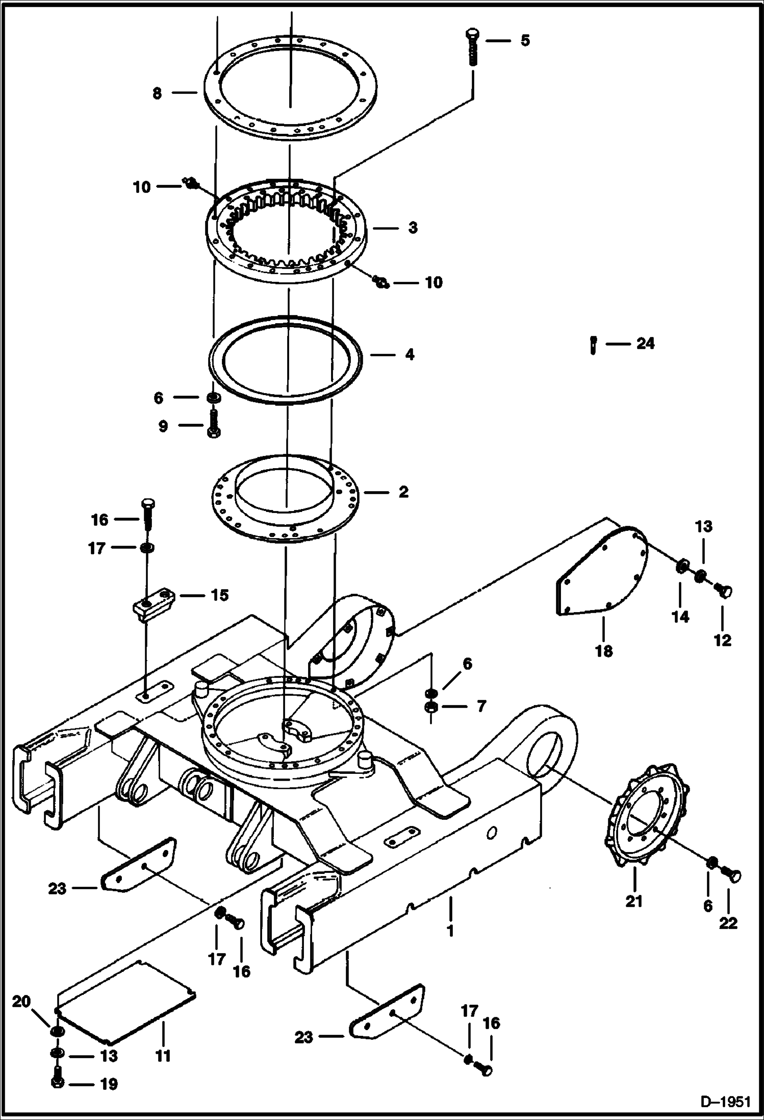
1

TRACK FRAME NLA - Was 6535536 - A

2

6535548

FLANGE

3

SWING CIRCLE NLA - assy - W/Ref. 4 - 121 teeth on gear - Was 6652016 - A

4

6652960

SEAL swing circle - Was 6655057 - A

5

6535644

BOLT

6

6EM120

WASHER

7

6535645

NUT

8

6535646

RING

9

1CM1275

BOLT

10

6652970

GREASE FITTING Was 6533968 - A

11

6535546

COVER Was NLA

12

1CM820

BOLT

13

6EM80

WASHER, SPRING

14

15EM80

WASHER

15

6534235

BRACKET See BTIE-030 rubber track-except rubber track 6663906

15

6534234

BRACKET See BTIE-030 steel track and rubber track 6663906

16

1CM1025

BOLT

17

6EM100

WASHER

18

6535547

COVER

19

1CM1020

BOLT

20

15EM100

WASHER

21

6534233

SPROCKET See BTIE-030 rubber track - 12 tooth sprocket for all rubber tracks except 6663906

21

SPROCKET NLA - 21 tooth sprocket for all steel tracks & for rubber 6663906 - Order 6587308 & (9) 1CM-1250, - Was 6534232 - A

21

6587308

SPROCKET See BTIE-030 21 tooth-for steel tracks and for rubber track 6663906

22

1CM1235

BOLT for sprocket 6534233 and sprocket 6534232

22

1CM1250

BOLT for sprocket 6587308

23

6537618

PLATE for all rubber tracks except track 6663906

23

6534236

PLATE for all steel tracks and rubber tracks 6663906

24

6535902

BOLT alignment - service tool for aligning swing bearing when upperstructure has been removed from undercarriage

Выбрано товаров: 29