Качественные детали и логистика
Оригинальные и аналоговые запчасти с доставкой по России, Казахстану и Беларуси
©2022 PartSell ООО "Система" ИНН 2463123282 ОГРН 1212400004838
Центральный офис: г. Красноярск, Академика Киренского, д.87, пом.4
Телефон: 8 (800) 777-65-74 Email: zakaz@partsell.ru
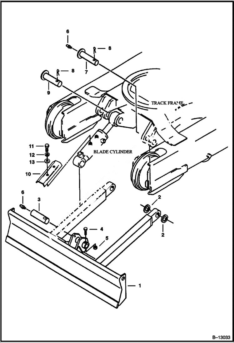
BLADE
№
Артикул
Название
Примечание
Количество
1
6534157
2
6535313
SHIM
3
6534188
PIN
4
1CM1075
BOLT Was 1CM01070B - B
5
49DM10
NUT Was 39DM00010B - B
6
10H25
FITTING, GREASE 5
7
6534186
8
13JM850
COTTERPIN
9
6534179
10
6534231
COVER See BTIE-009 Original Equipment
11
1CM1220
BOLT
12
6EM120
WASHER
13
15EM120
Выбрано товаров: 0