Запчасти Bobcat 225 CONTROL CONSOLE (Left Hand) (S/N 11051 & Above) CONTROLS

Схема запчастей Bobcat 225 - CONTROL CONSOLE (Left Hand) (S/N 11051 & Above) CONTROLS
FIT
1:1
100%

Артикул

Название

Примечание

Количество

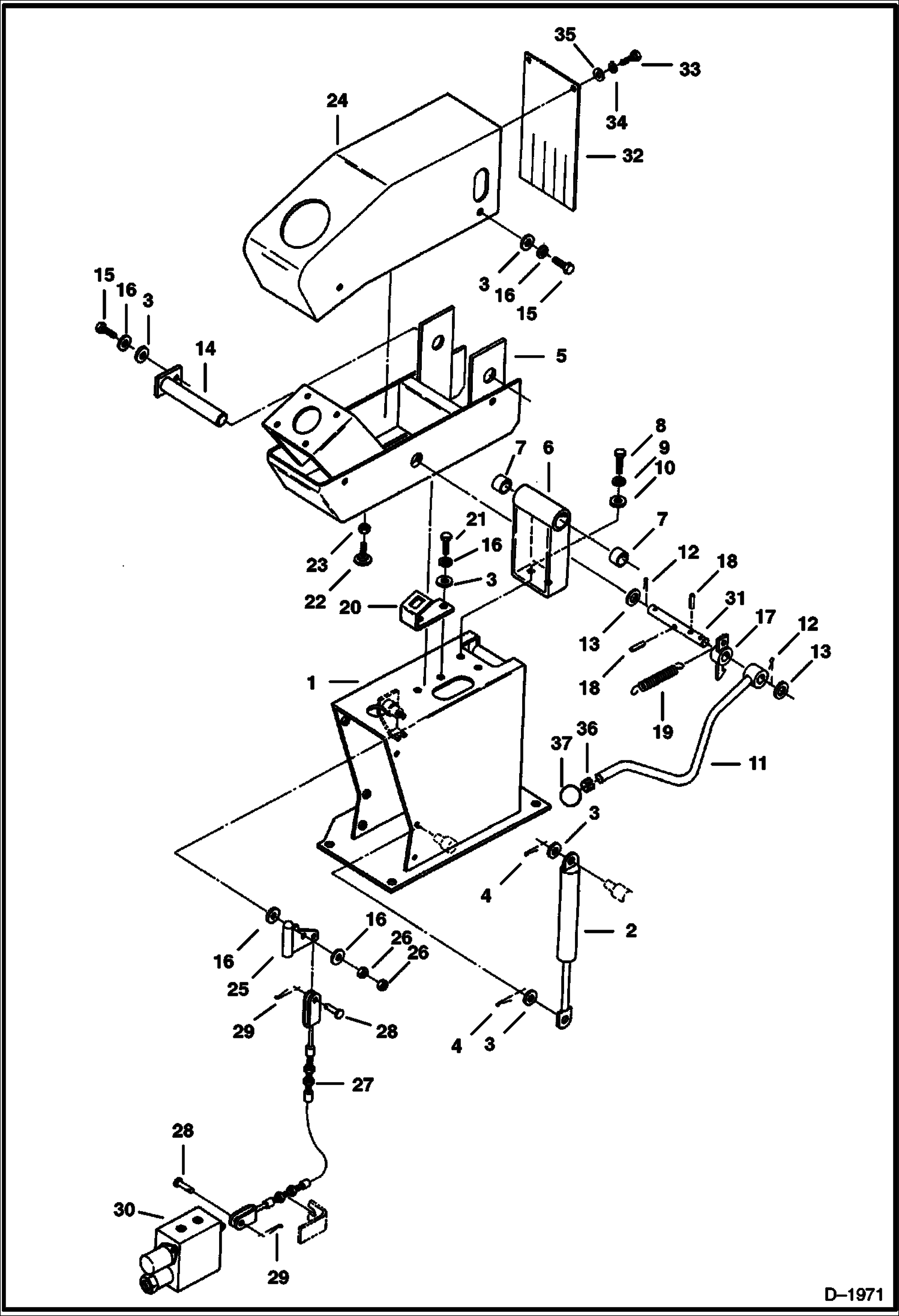
1

6535534

CONSOLE L.H.

2

6655965

CYLINDER Was 6655063 - A

3

15EM80

WASHER

4

6535003

COTTER PIN

5

6535533

PANEL

6

6535391

BRACKET W/Ref. 7

7

6535309

BUSHING

8

1CM1025

BOLT

9

6EM100

WASHER

10

15EM100

WASHER

11

6535531

LEVER

12

13JM332

COTTR PIN

13

15EM140

WASHER

14

6535393

SHAFT

15

1CM820

BOLT

16

6EM80

WASHER, SPRING

17

6535396

LATCH

18

1JM4026

PIN

19

6535500

SPRING

20

6535398

BRACKET

21

1CM825

BOLT

22

6535507

PIN

23

2DM10

NUT

24

6535390

COVER

25

6535397

ACTUATOR

26

1DM8

NUT

27

6535502

CABLE

28

PIN NLA - Was 6534263 - A

29

13JM25032

COTTR PIN

30

6654121

VALVE See Illustration UNLOAD VALVE/ C3164

31

6535532

SHAFT

32

6535535

COVER

33

1CM610

BOLT

34

6EM60

WASHER, SPRING

35

15EM60

WASHER

36

6657735

RING

37

6658076

KNOB

Выбрано товаров: 37