Запчасти Bobcat 225 SWING MOTOR HYDRAULIC SYSTEM

Схема запчастей Bobcat 225 - SWING MOTOR HYDRAULIC SYSTEM
FIT
1:1
100%

Артикул

Название

Примечание

Количество

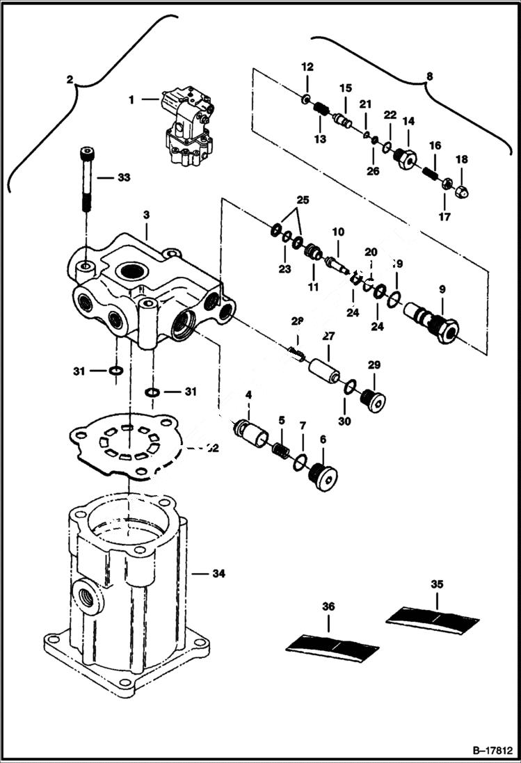
1

SWING MOTOR See Illustration SWING MOTOR/ B17811 See Illustration SWING MOTOR/ D1954 NLA - assy - W/Ref 2-33, also includes Ref. 2 on Ill D1954 & Ref. 2 on Ill B17811 - Was 6652861 - A

2

VALVE NLA - assy - W/Ref. 3-31 - Was 6653704 - A

3

HOUSING NSS

4

6653165

CHECK VALVE

5

6653166

SPRING

6

6653167

PLUG

7

O-RING NSS - Order Ref. 35

8

6653168

RELIEF VALVE W/Ref. 9-26

9

HOUSING NSS

10

POPPET NSS

11

SEAT NSS - poppet

12

SEAT NSS - spring

13

SPRING NSS

14

PLUG NSS

15

GUIDE NSS

16

SET SCREW NSS

17

NUT NSS

18

CAP NSS

19

O-RING NSS - Order Ref. 35

20

O-RING NSS - Order Ref. 35

21

O-RING NSS - Order Ref. 35

22

O-RING NSS - Order Ref. 35

23

O-RING NSS - Order Ref. 35

24

BACK-UP RING NSS - Order Ref. 35

25

BACK-UP RING NSS - Order Ref. 35

26

BACK-UP RING NSS - Order Ref. 35

27

PISTON NSS

28

6653169

SPRING

29

6653170

PLUG

30

O-RING NSS - Order Ref. 35

31

O-RING NSS - Order Ref. 35

32

GASKET NSS - Order Ref. 35

33

6653192

BOLT

34

HOUSING See Illustration SWING MOTOR/ B17811

35

6653196

SEAL KIT Ref. 7, 19-26, 30 & 31

36

6653195

SEAL KIT See Illustration SWING MOTOR/ B17811 REF. 32 & REF. 18

Выбрано товаров: 36