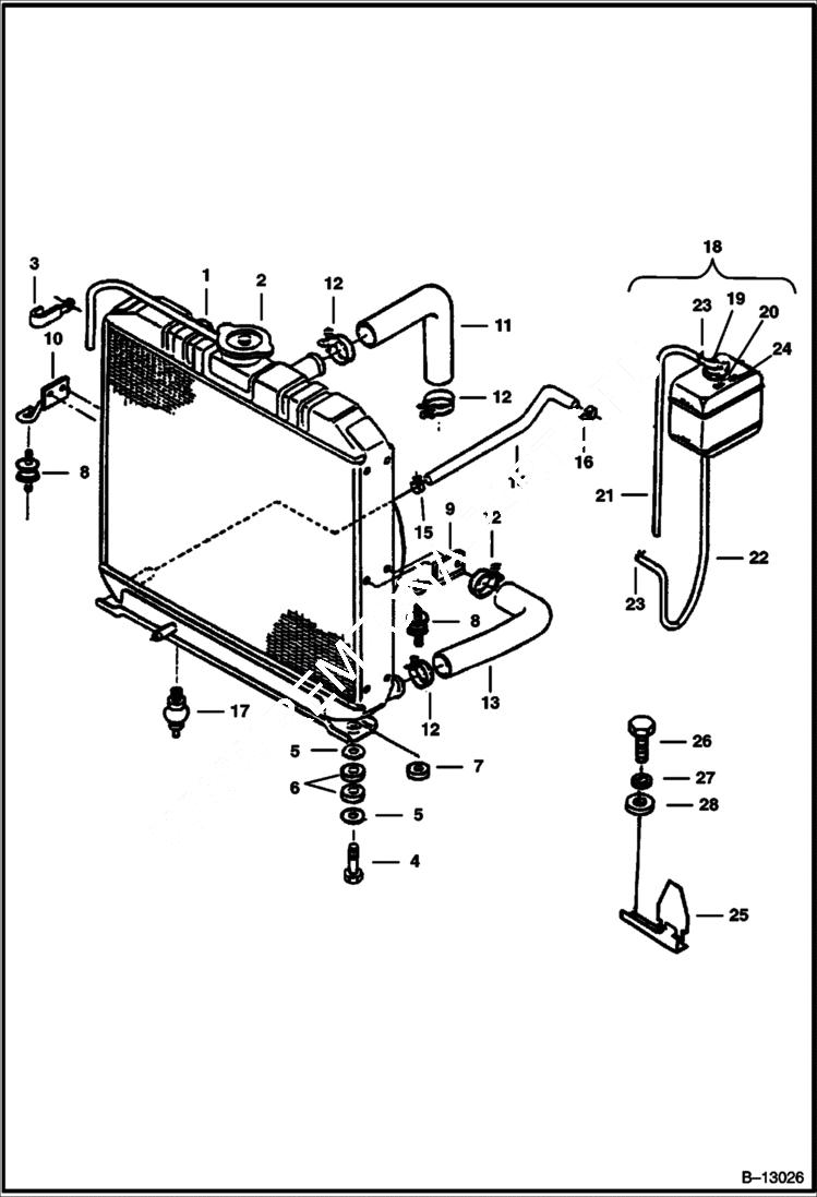
Запчасти Bobcat 225 RADIATOR POWER UNIT

Схема запчастей Bobcat 225 - RADIATOR POWER UNIT
FIT
1:1
100%

Артикул

Название

Примечание

Количество

1

6653981

RADIATOR W/Ref. 2

2

3974310

CAP

3

6651921

CLAMP

4

6651922

BOLT

5

6651923

WASHER

6

6651924

CUSHION

7

6652779

NUT

8

6651925

CUSHION

9

6653982

STAY

10

6653983

STAY

11

6653984

HOSE

12

6651929

CLAMP

13

6653985

HOSE

14

6653986

HOSE

15

3974679

BAND

16

6653987

BAND

17

6672190

DRAINCOCK Was 3975447B - A

18

6653972

TANK ASSY W/Ref. 19-24

19

6653974

CAP

20

6653975

GASKET

21

6653976

HOSE

22

6653977

HOSE

23

6653978

CLAMP

24

6653979

DECAL caution

25

6535667

BRACKET tank

26

1CM820

BOLT

27

6EM80

WASHER, SPRING

28

15EM80

WASHER

Выбрано товаров: 0