Качественные детали и логистика
Оригинальные и аналоговые запчасти с доставкой по России, Казахстану и Беларуси
©2022 PartSell ООО "Система" ИНН 2463123282 ОГРН 1212400004838
Центральный офис: г. Красноярск, Академика Киренского, д.87, пом.4
Телефон: 8 (800) 777-65-74 Email: zakaz@partsell.ru
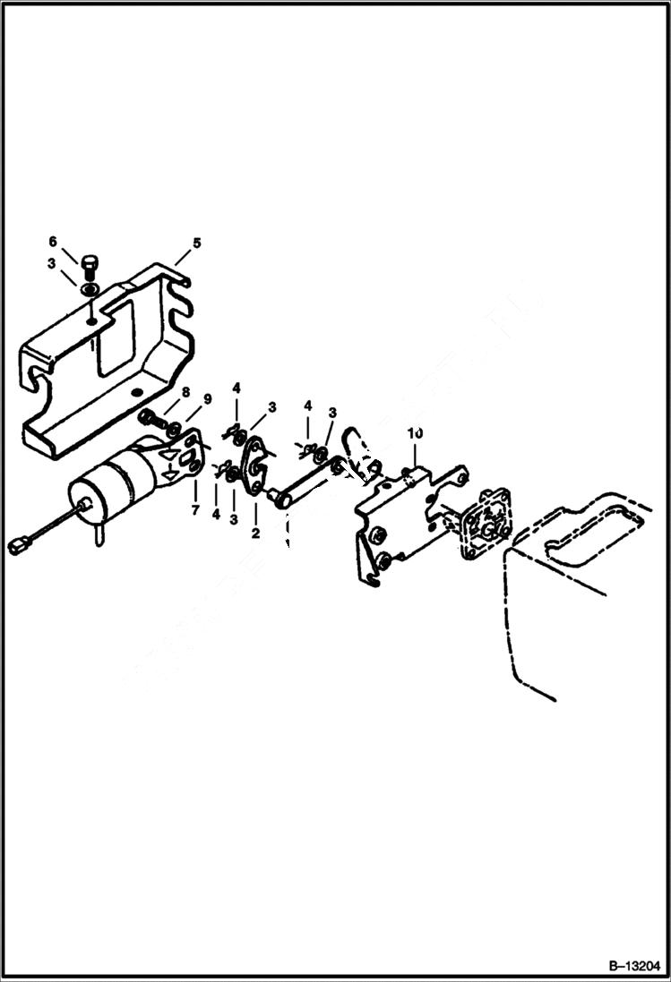
FUEL STOP SOLENOID
№
Артикул
Название
Примечание
Количество
1
6655547
LEVER
2
6655548
3
15EM60
WASHER
4
6682512
PIN Was 6655549 - A
5
COVER NLA - Was 6655550 - A
6
1CM612
BOLT Was 4CM612 - A
7
6655120
SOLENOID
8
1CM816
BOLT Was 4CM816 - A
9
15EM80
10
6655546
SUPPORT
Выбрано товаров: 0