Качественные детали и логистика
Оригинальные и аналоговые запчасти с доставкой по России, Казахстану и Беларуси
©2022 PartSell ООО "Система" ИНН 2463123282 ОГРН 1212400004838
Центральный офис: г. Красноярск, Академика Киренского, д.87, пом.4
Телефон: 8 (800) 777-65-74 Email: zakaz@partsell.ru
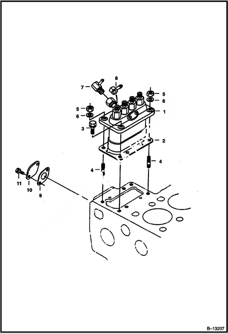
INJECTION PUMP
№
Артикул
Название
Примечание
Количество
1
6598131
PUMP See Illustration INJECTOR PUMP/ C2560
2
6655210
SHIM 0,30 mm - injection pump
3
4CM822
BOLT
4
3974627
STUD
5
1DM8
NUT Was 25DM00008B - A
6
6EM80
WASHER, SPRING
7
6652671
ORIFICE
8
6655515
JOINT See Illustration INJECTOR PUMP/ C2560 eye - Was 3974500B - A
9
3974502
GASKET See Illustration LOWER GASKET KIT/ C3254 INCLUDED W/LOWER GASKET KIT
10
3975412
COVER
11
1CM616
SCREW Was 4CM616 - A
Выбрано товаров: 0